EasyManua.ls Logo

Progress Lighting AirPro P250000 - Blade Attachment and Decorative Cover

Progress Lighting AirPro P250000
51 pages
Print Icon
To Next Page IconTo Next Page
To Next Page IconTo Next Page
To Previous Page IconTo Previous Page
To Previous Page IconTo Previous Page
Loading...
6.
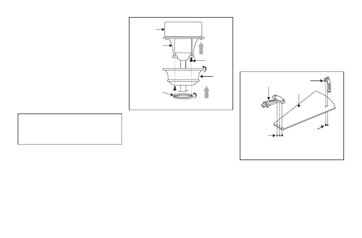
Finishing the Installation
Step 1. Tuck connections neatly into ceiling outlet
box.
Step 2. Slide the canopy up to mounting bracket and
place the key hole on the canopy over the screw on
the mounting bracket, turn canopy until it locks in
place at the narrow section of the key holes. (Fig. 9)
Step 3. Align the circular hole on canopy with the
remaining hole on the mounting bracket, secure by
tightening the two set screws. Note: Adjust the
canopy screws as necessary until the canopy and
canopy cover are snug.
Attaching the Fan Blades
Attaching the blades to the blade arms
Step 1. Attach the blades to the blade arms using the
three blade attachment screws (3/16" x 10mm) and
fiber washers. Start a screw with fiber washer into
the blade arms, but do not tighten.
Step 2. Repeat for the two remaining blade attach-
ment screws and fiber washers.
Step 3. Tighten each screw securely starting with
the center screw. Make sure the blade is straight.
Step 4. Attach the decorative rod holders to the
blades using the two decorative rod holder attach-
ment screws (3/16" x 15mm) and fiber washers.
Step 5. Tighten each screw securely starting and
make sure the blade is straight.
Step 6. Repeat these steps for the remaining blades .
WARNING
Make sure the notch on the hanging bracket
properly sits in the groove in the hanger ball before
attaching the canopy to the bracket by turning the
housing until it drops into place.
Outlet box
Canopy
cover
Canopy
Hanger
bracket
Figure 9
Screws
Figure 10
Blade screws
(
3/16" x 10mm)
and fiber washers
Blades
Blade arms
Decorative rod
holders
Decorative rod
holder
screws
(
3/16" x 15mm)
and fiber washers

Related product manuals