EasyManua.ls Logo

ProSelect FORCEVFO Series - Oil Piping

ProSelect FORCEVFO Series
52 pages
Print Icon
To Next Page IconTo Next Page
To Next Page IconTo Next Page
To Previous Page IconTo Previous Page
To Previous Page IconTo Previous Page
Loading...
23
110547-01 - 4/20
FORCEVFO Installation & Service Manual
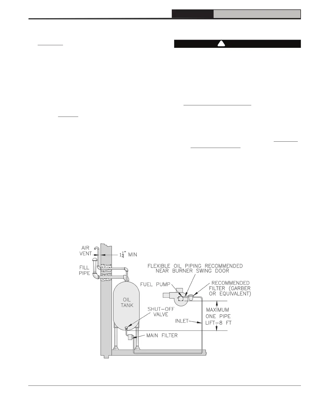
Figure 8-1: Single Pipe Oil Line
A. GENERAL
1. Use flexible oil line(s) so the burner swing door
can be opened without disconnecting the oil
supply piping.
2. A supply line fuel oil filter is recommended as a
minimum for all firing rates but a pleated paper
fuel oil filter is recommended for the firing rates
below 1.0 GPH to prevent nozzle fouling.
3. Use Flared fittings only. Cast iron fittings
cannot be used.
NOTICE DO NOT use compression fittings.
Oil piping must be absolutely airtight or leaks or
loss of prime may result. Bleed line and fuel unit
completely.
Refer to your local jurisdictions regarding
any special considerations for fuel supply
requirements. In addition, refer to NFPA 31,
Standard for the Installation of Oil-Burning
Equipment for Installations in the United States
and CSA B139-04 for Installation in Canada.
4. Use of a high efficiency micron filter (Garber or
equivalent) in addition to a conventional filter is
highly recommended.
5. Piping used to connect the oil burner to the oil
supply tank shall not be smaller than 3/8" iron
pipe or 3/8" OD copper tubing. Copper tubing
shall have a .032" minimum wall thickness.
WARNING
Under no circumstances can copper with sweat
style connectors be used.
NOTICE Some jurisdictions require the use of a
fusible shutoff valve at the tank and/or the burner.
In addition, some jurisdictions require the use of a
fusible electrical interlock with the burner circuit.
Check your local Codes for special requirements.
B. SINGLE PIPE OIL LINES
1. Standard burners are provided with single-
stage 3450 RPM fuel units with the bypass
plug removed for single-pipe installations.
2. The single-stage fuel unit may be installed
single-pipe with gravity feed or lift. Maximum
allowable lift is 8 feet. See Figure 8-1.
3. Fuel Oil Line Deaerator – On many occasions
a leaky oil delivery line can introduce air
into the fuel oil supply system. This often
creates a rough starting condition and can
create a burner lockout state. In addition to
fixing the leak, a fuel line deaerator can be
installed to eliminate air. The single line from
the fuel tank is connected to the deaerator.
The burner pump must be connected to the
deaerator as a two pipe system. Follow the
oil pump manufacturer’s recommendations for
conversion to a two pipe system.
8 Oil Piping
!