EasyManua.ls Logo

Prosense FMM75-1002 - Installation Guidelines; Recommended Installation Locations

Default Icon
21 pages
Print Icon
To Next Page IconTo Next Page
To Next Page IconTo Next Page
To Previous Page IconTo Previous Page
To Previous Page IconTo Previous Page
Loading...
9
5 Installation
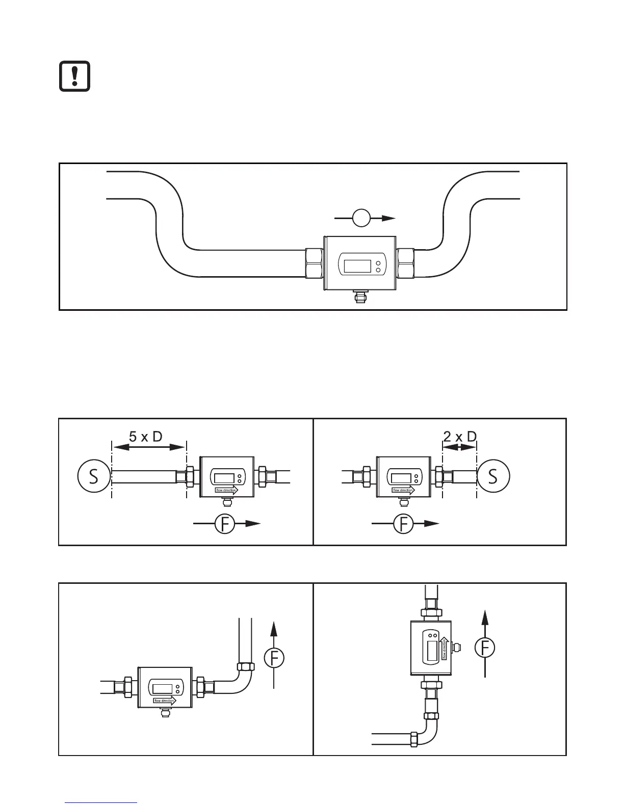
Avoid deposits, accumulated gas and air in the pipe system.
5.1 Recommended installation locations
Example of an optimized installation:
F
Install the unit so that the measuring pipe is completely filled.
Arrange for inlet and outlet pipe lengths. Disturbances caused by bends,
valves, reductions, etc. are compensated for. It applies in particular: no shut-off
and control devices are allowed directly in front of the unit.
S = disturbance; D = pipe diameter; F = flow direction
Install in front of or in a rising pipe.

Related product manuals