EasyManua.ls Logo

ProsKit MT-5110 - Page 7

ProsKit MT-5110
10 pages
Print Icon
To Next Page IconTo Next Page
To Next Page IconTo Next Page
To Previous Page IconTo Previous Page
To Previous Page IconTo Previous Page
Loading...
7
2-2. 規格
± + 23 ± 5 <80
範圍
精準度
測試頻率
最大顯示值
200pF
±(0.5%+7)
800Hz
199.9pF
2nF
800Hz
1.999nF
20nF
800Hz
19.99nF
200nF
800Hz
199.9nF
2uF
800Hz
1.999uF
20uF
80Hz
19.99uF
200uF
±(0.5%+5)
8Hz
199.9uF
2000uF
±(2%+5)
8Hz
1999uF
20000uF
±(3%+10)
8Hz
1999(×10)uF
pF= Pico Farad(10
-12
F ) nF= nan Farad(10
-9
F). uF= micro Farad(10
-6
F)
Excitative voltage: Max.2.8Vrms
功率超載 0.1A/36V
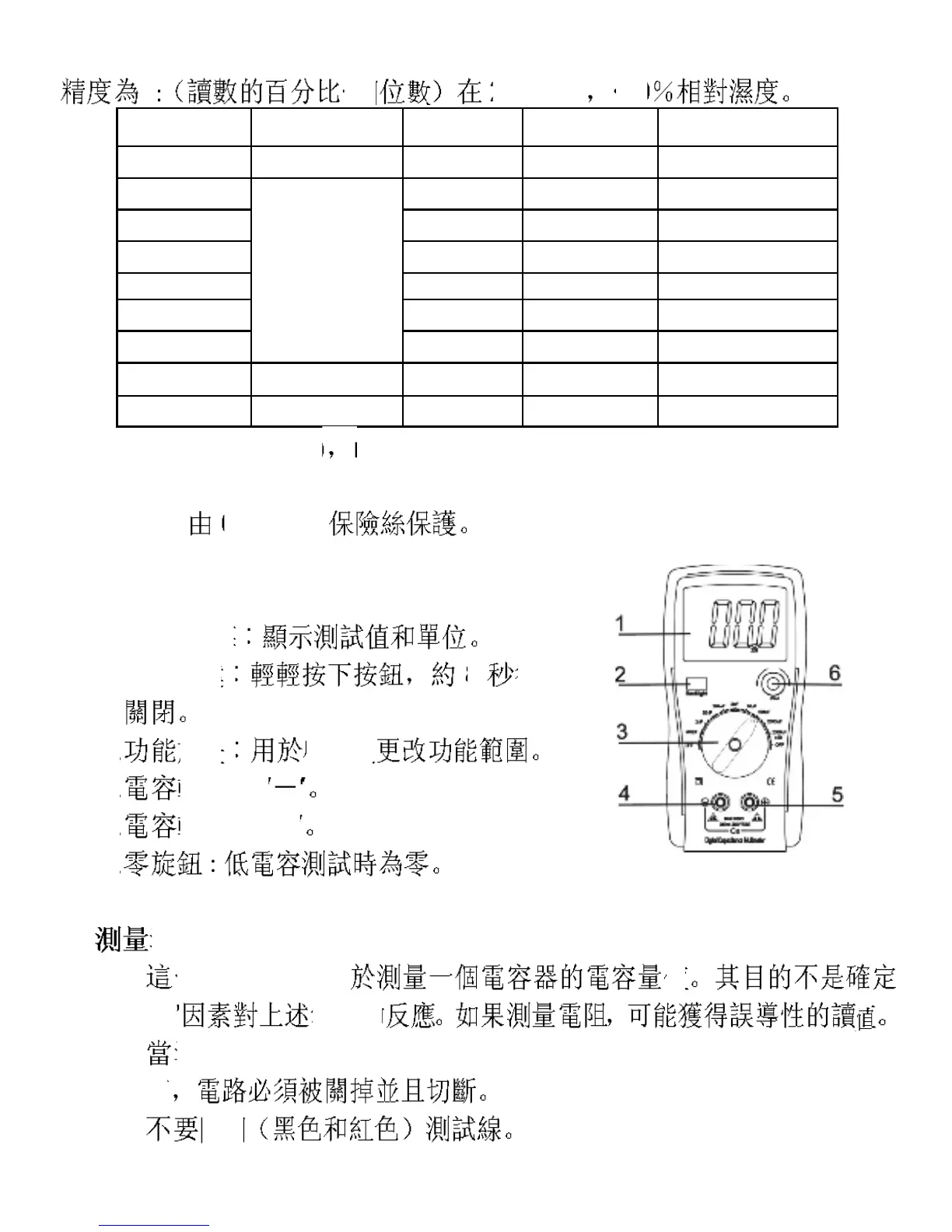
3. 操作面板
1.LCD 螢幕
2.背光按 8 後自動
3. 旋鈕 啟動及
4. 輸入端
5. 輸入端 ″+ ″
6.
4. 注意事項
(1) 試器
“Q” 零件
(2) 內部必須確認個迴必須沒有電的
(3) 關閉

Related product manuals