EasyManua.ls Logo

protech SRT-2 - Page 11

protech SRT-2
36 pages
Print Icon
To Next Page IconTo Next Page
To Next Page IconTo Next Page
To Previous Page IconTo Previous Page
To Previous Page IconTo Previous Page
Loading...
SRT-2 • 11
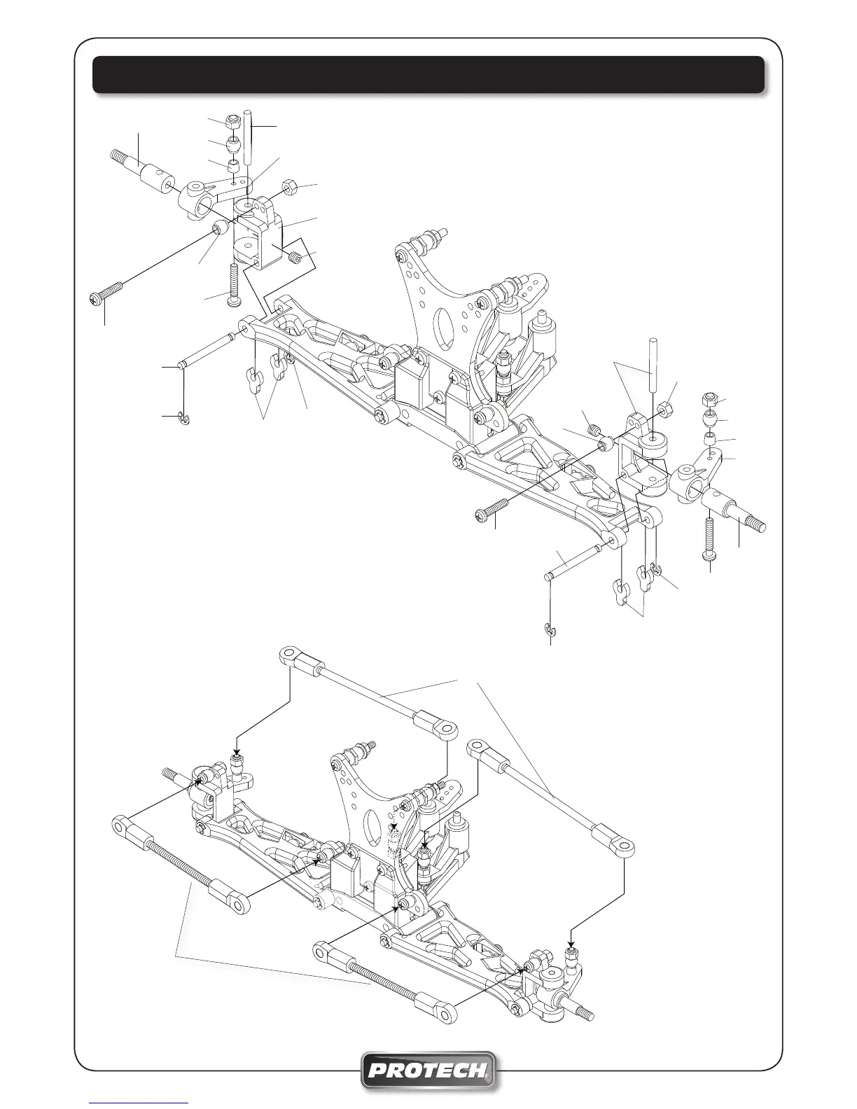
Mounting the front suspension / Montage van de voorste ophanging
Montierung von hintere Querlenker / Assemblage du train avant
T63.019
M3x14mm
T0830.060
M3x16mm
T63.016
E-clip
T0830.061
E-clip
T63.019
T63.020
Nylstop M3
T63.021
T63.020
Nylstop M3
T0830.060
T63.045
T63.020
Nylstop M3
T63.019
T0830.060
M3x14mm
Nylstop M3
T0830.060
T63.045
T63.021
T63.019
M3x16mm
E-clip
T0830.061
E-clip
T63.016
T63.028
T63.026

Related product manuals