EasyManua.ls Logo

ProTerm RAY 9-24K - Boiler Wiring Diagram

ProTerm RAY 9-24K
14 pages
Print Icon
To Next Page IconTo Next Page
To Next Page IconTo Next Page
To Previous Page IconTo Previous Page
To Previous Page IconTo Previous Page
Loading...
Supplied By www.heating spares.co Tel. 0161 620 6677
11
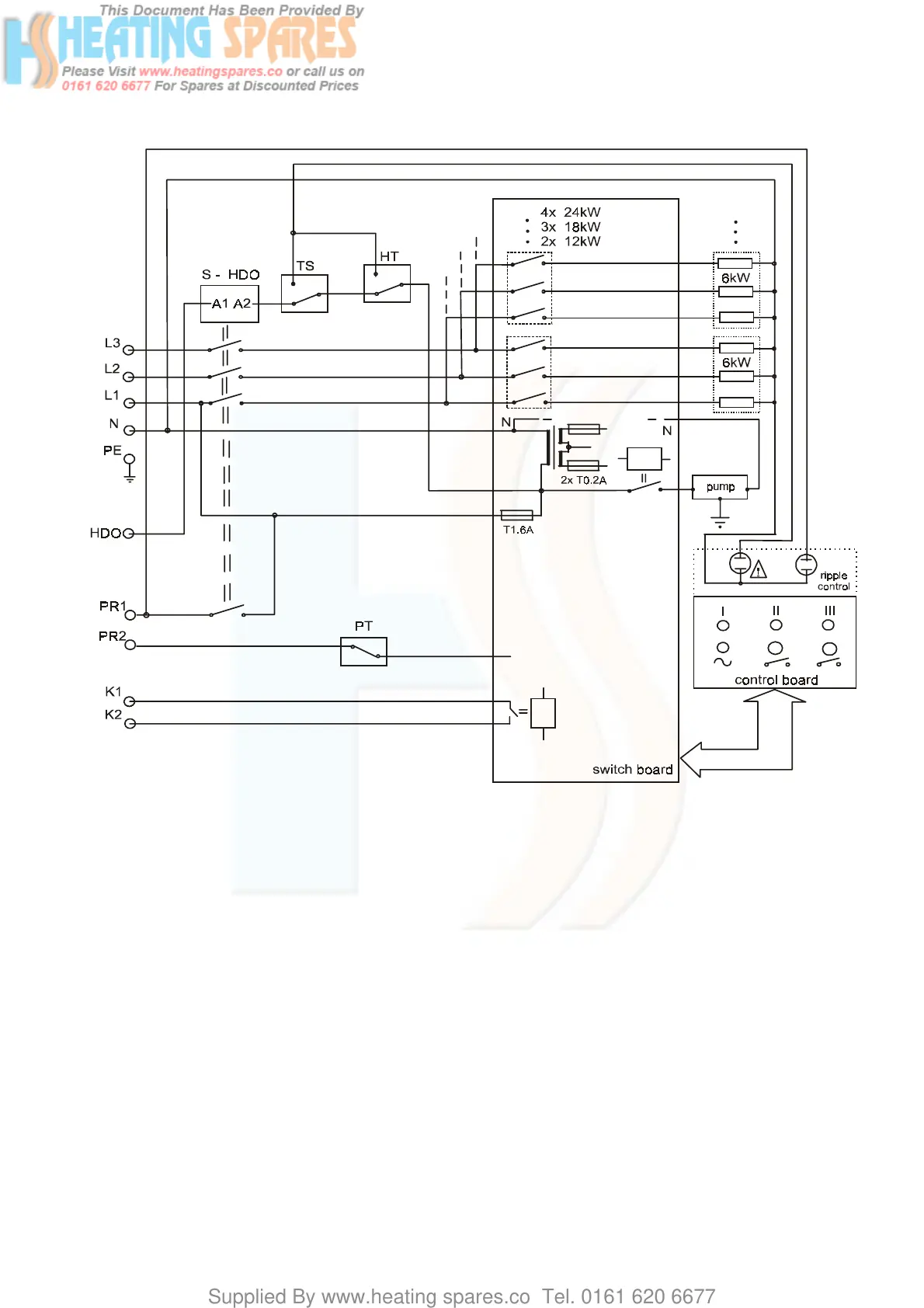
13. Boiler wiring diagram
TS – pressure switch 0,8 Bar
HT – over heat thermostat 100°C
PT – operating thermostat max. 85°C
PR1,PR2 – room thermostat 230 V / 0,1 A
HDO – ripple control
S-HDO – RC contactor
K1,K2 cascade output (only 21 kW and 24 kW)