EasyManua.ls Logo

ProTerm RAY 9-24K - Page 14

ProTerm RAY 9-24K
14 pages
Print Icon
To Previous Page IconTo Previous Page
To Previous Page IconTo Previous Page
Loading...
Supplied By www.heating spares.co Tel. 0161 620 6677
13
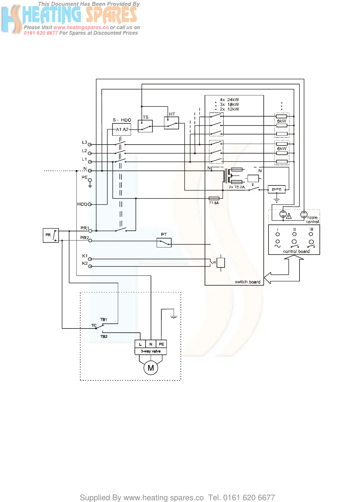
external wiring
- to assurance a correct function of a preparation DHW itś necessary fill the switching relay with following parameters:
switching contact current above 0,5 A / switching voltage 0-230 V, control voltage 230 AC
- at the interconnection the electric boiler with the DHW tank itś always necessary made it in accordance with
conditions in user and installation instructions
TS – pressure switch 0,8 Bar
HT – the emergency thermostat 100°C
PT – the operating thermostat max. 85°C
PR1, PR2 – the room thermostat 230 V / 0,1 A
HDO – ripple control (RC)
S-HDO – RC contactor
K1, K2 – cascade (only 21 kW and 24 kW)
R – switching relay
TC, TB1, TB2 – thermostat contacts of DHW tank