EasyManua.ls Logo

Pure Fun 9307SS - Assembly Instructions and Warnings; Assembly Preparation

Pure Fun 9307SS
12 pages
Print Icon
To Next Page IconTo Next Page
To Next Page IconTo Next Page
To Previous Page IconTo Previous Page
To Previous Page IconTo Previous Page
Loading...
6
CustomerService@GQBrands.comGQBrands.com
1-866-498-5269
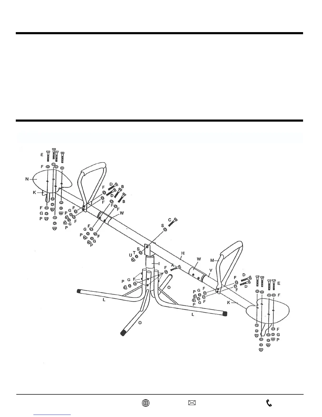
When you are ready to start, make sure that you have the correct tools
at hand, and adequate space for assembly. Please refer to the table
for part descriptions and numbers. The assembly instruction uses
these descriptions and numbers as reference. Make sure you have all
parts listed.
IMPORTANT: USE GLOVES TO PROTECT AGAINST PINCH POINTS
DURING ASSEMBLY.
Enclosed are the current specifications and product features available
at time of printing, however, changes may be made in equipment,
availability, specifications and features without notice.
ALL BOLTS MUST BE TIGHTENED FLUSH TO THE TUBES.
TO PREVENT INJURY CHILDREN MUST NOT USE THIS EQUIPMENT
UNTIL PROPERLY INSTALLED.
ASSEMBLY WARNINGS
EXPLODED VIEW

Related product manuals