EasyManua.ls Logo

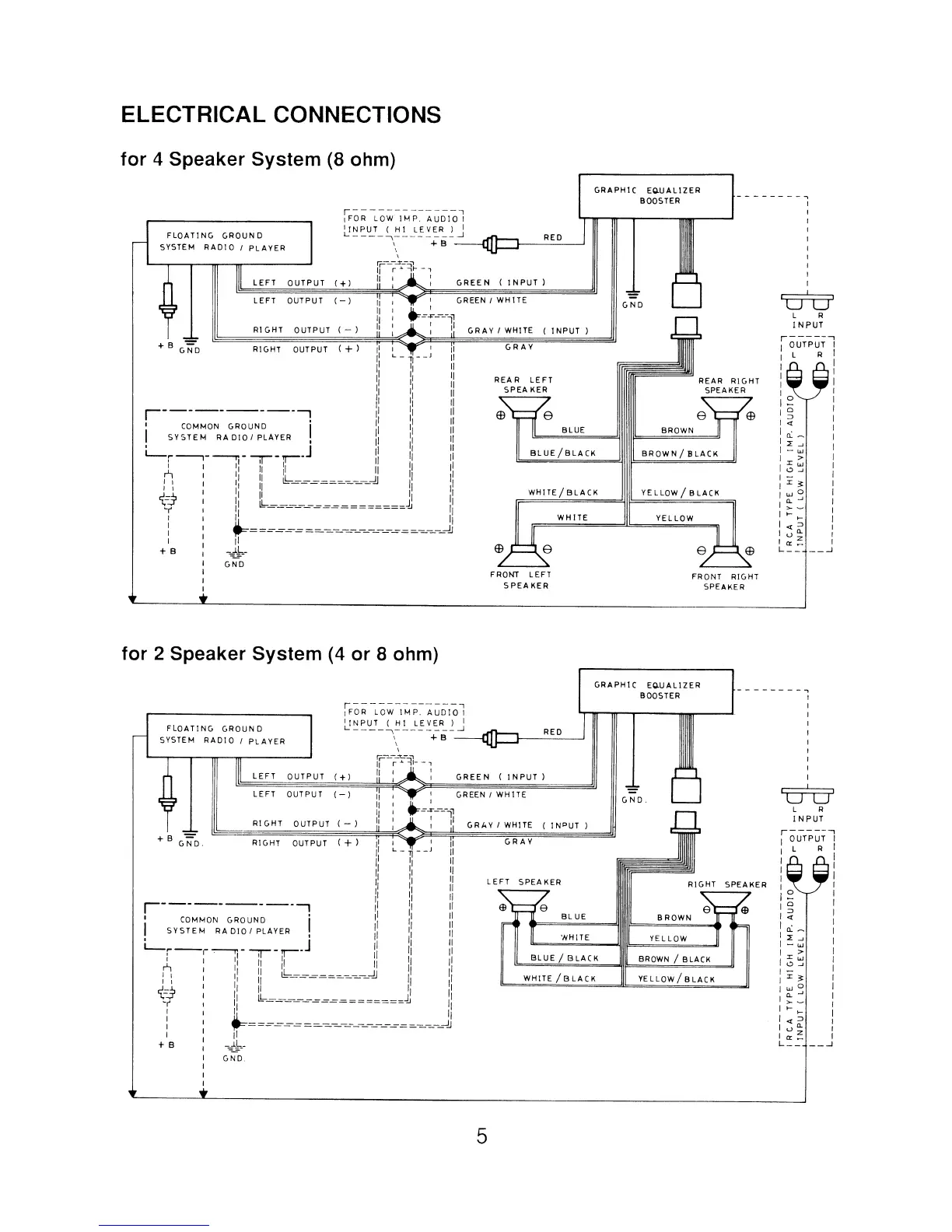
Pyramid 402VL - Electrical Connections; 4 Speaker System Wiring; 2 Speaker System Wiring

Pyramid 402VL
8 pages
Print Icon
To Next Page IconTo Next Page
To Next Page IconTo Next Page
To Previous Page IconTo Previous Page
To Previous Page IconTo Previous Page
Loading...

Related product manuals