EasyManua.ls Logo

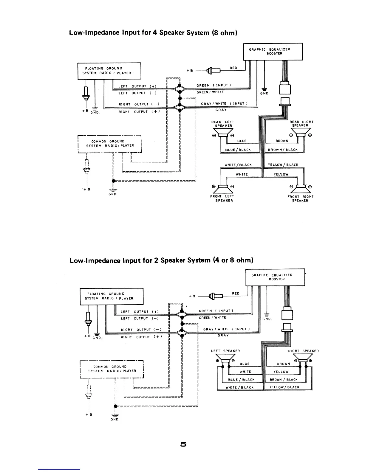
Pyramid 808 - Low-Impedance Input for 4 Speaker System (8 Ohm); Low-Impedance Input for 2 Speaker System (4 or 8 Ohm)

Pyramid 808
8 pages
Print Icon
To Next Page IconTo Next Page
To Next Page IconTo Next Page
To Previous Page IconTo Previous Page
To Previous Page IconTo Previous Page
Loading...

Related product manuals