EasyManua.ls Logo

Quicksilver 905WE - Page 80

Quicksilver 905WE
87 pages
Print Icon
To Next Page IconTo Next Page
To Next Page IconTo Next Page
To Previous Page IconTo Previous Page
To Previous Page IconTo Previous Page
Loading...
Quicksilver 905WE — Electrical Systems
68
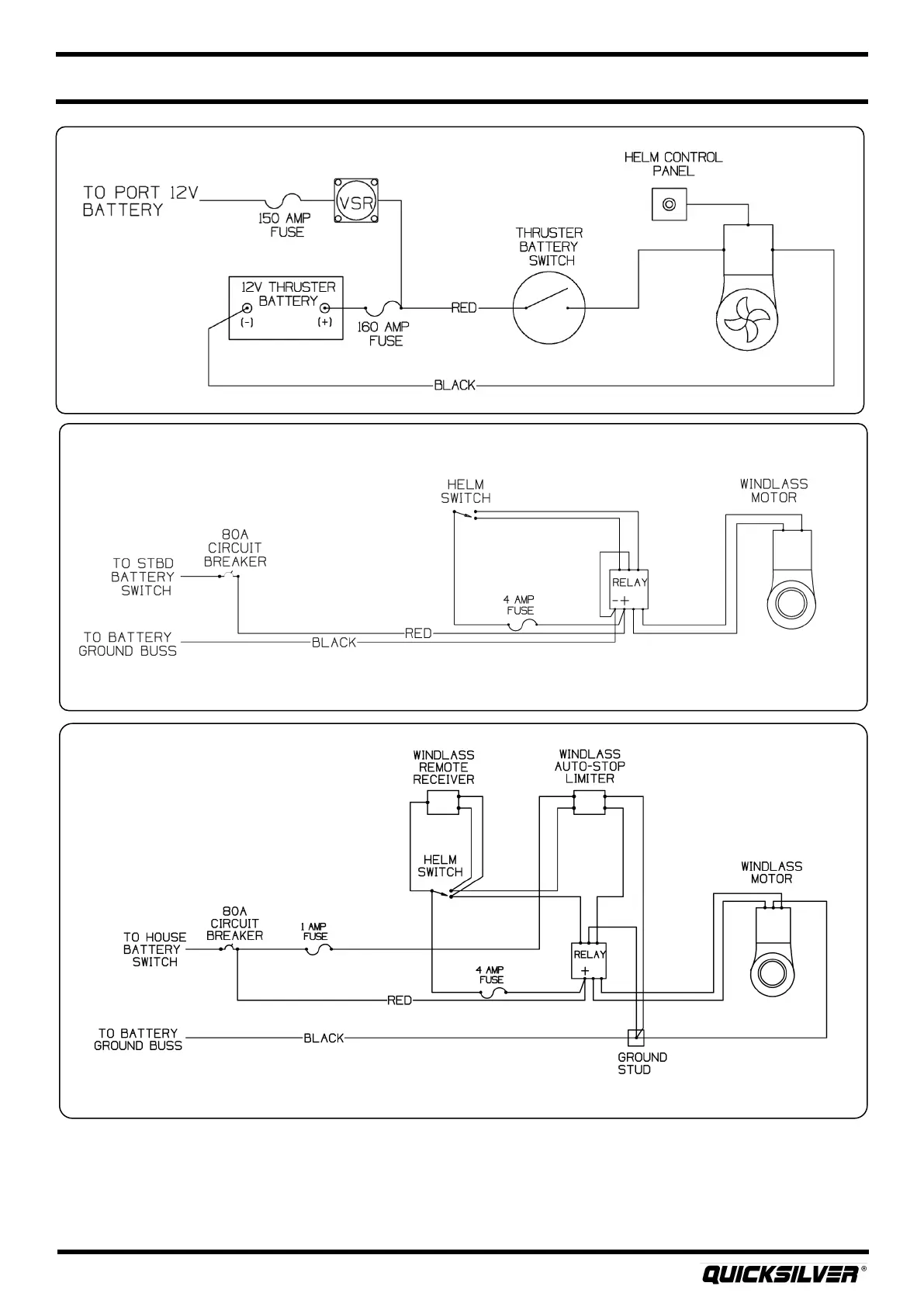
Bow Thruster Schemac
Bow Windlass Schemac
Stern Windlass Schemac

Table of Contents

Related product manuals