EasyManua.ls Logo

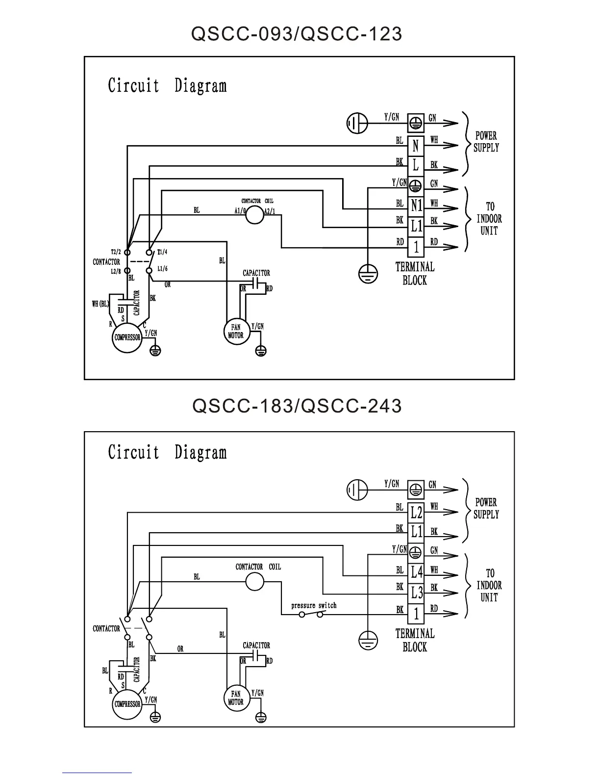
Quietside QSCC-183 - Circuit Diagram

Quietside QSCC-183
28 pages
Print Icon
To Next Page IconTo Next Page
To Next Page IconTo Next Page
To Previous Page IconTo Previous Page
To Previous Page IconTo Previous Page
Loading...

Related product manuals