EasyManua.ls Logo

Quietside QSCC-243 - Circuit Diagrams - QSCC Models

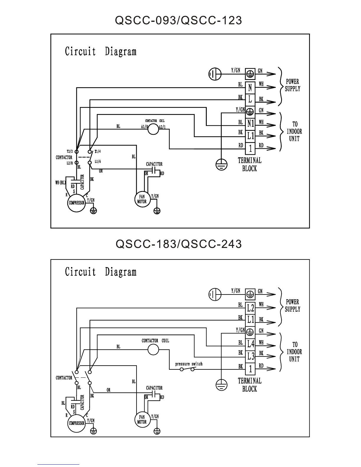
Quietside QSCC-243
28 pages
Print Icon
To Next Page IconTo Next Page
To Next Page IconTo Next Page
To Previous Page IconTo Previous Page
To Previous Page IconTo Previous Page
Loading...

Related product manuals