EasyManua.ls Logo

RADECO H-810BL - Page 16

RADECO H-810BL
19 pages
Print Icon
To Next Page IconTo Next Page
To Next Page IconTo Next Page
To Previous Page IconTo Previous Page
To Previous Page IconTo Previous Page
Loading...
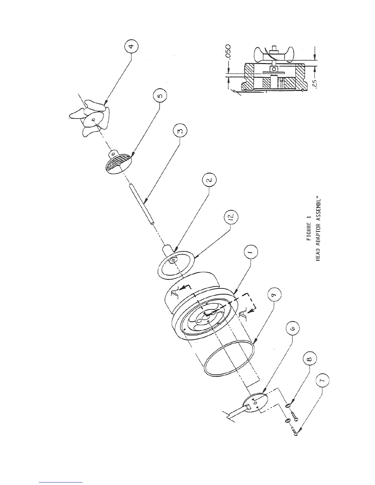
FIGURE 1