EasyManua.ls Logo

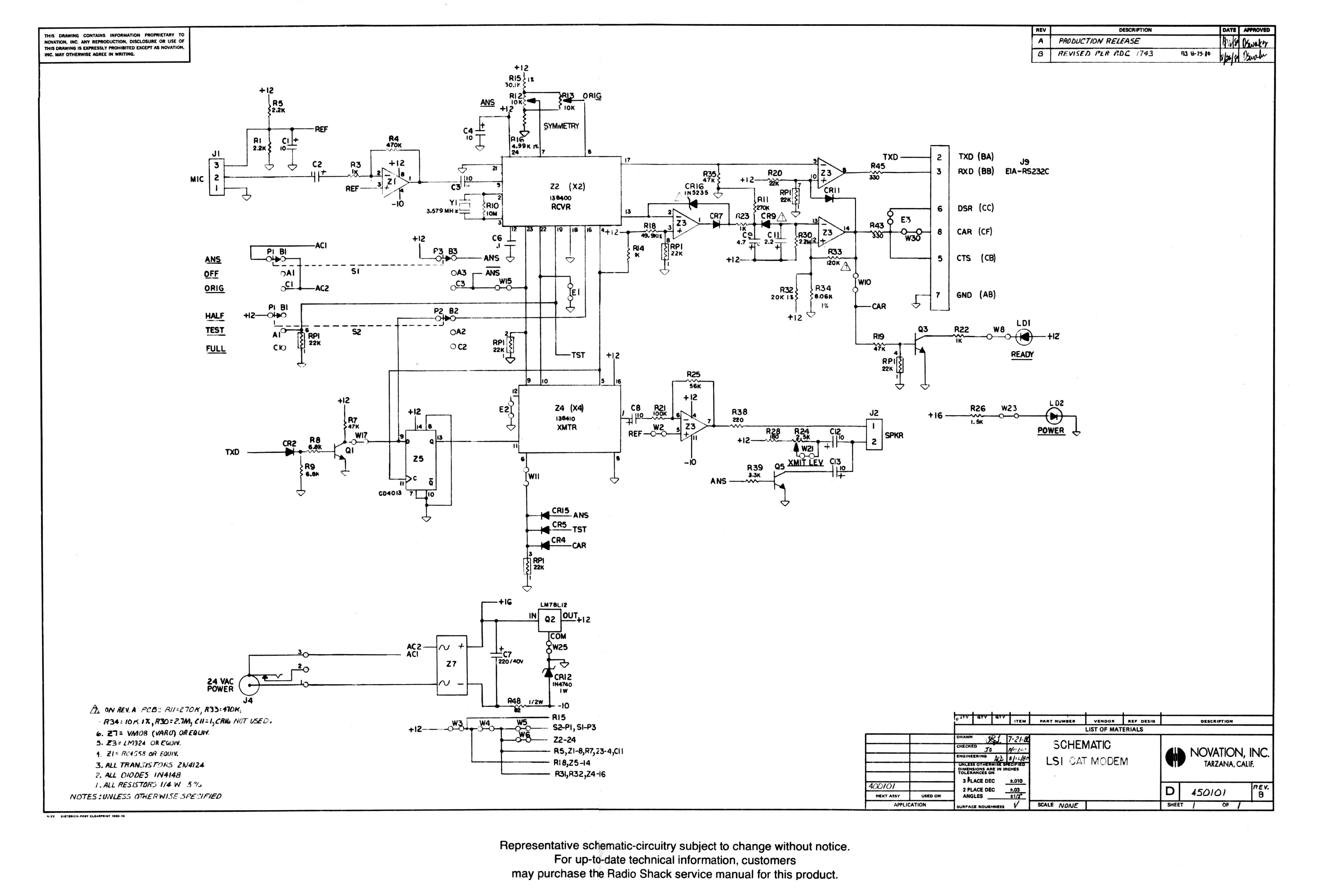
Radio Shack 26-1145 - Page 12

Radio Shack 26-1145
14 pages
Print Icon
To Next Page IconTo Next Page
To Next Page IconTo Next Page
To Previous Page IconTo Previous Page
To Previous Page IconTo Previous Page
Loading...

Other manuals for Radio Shack 26-1145

Related product manuals