EasyManua.ls Logo

RADIOMETER TCM3 - Page 97

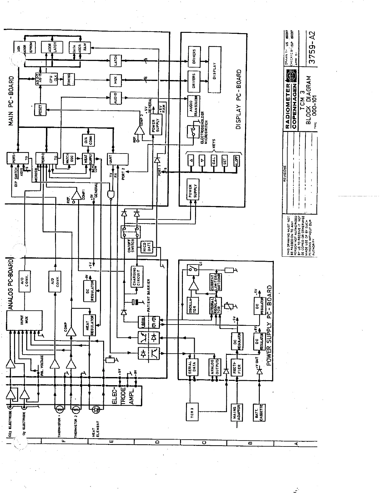
RADIOMETER TCM3
145 pages
Print Icon
To Next Page IconTo Next Page
To Next Page IconTo Next Page
To Previous Page IconTo Previous Page
To Previous Page IconTo Previous Page
Loading...
в
|
ο.
-
—-.
'
-
=‘
.
"
ΗΠΟ
INOHLIM
SNOSYId
cv-6S4
Е
NYHOVIG
49078
cin
um
mes
Ш
HONS
AB
40
350
30VW
E
WII
^
JSIMU3H1O
HO
031402
38
oh
i
32338
01
SN
48
v
TE
na
CIZIMOHLNY
LON
NOSHIA
W
NADVHNAMOD
(——
-一
-一
-一
ANY
01
46
03550
38
LEO
9$1
48142535
A
WO
ON
Sn
DNIMVUC
SPL
cpm
sn
sa
ro
|
LA
MAL
java
SRGISIA3g
qdv09-3d
lddns
Y3MOd
As-
|
σα
30
iva
Ae
8
Yala
93909-59
AVIdSIO
411938
Av1d510
SA
ヨル
.
HOLIASONDIN
9
83010H300819323
.
ATddns
viva
знала
|
|
sazama
otany
“amd
"vas
È
]
a
Mans
03000
uva
ARSAYA
ANDI
02IN
1109419
i
BOLAS
ONISUVHD
|
|440/N0
3
4ΜΞΗΞ13
iva
HOLSINd
hi
4
1
HO
S1NH
|
=
“ANDI
30044537
lo.
am
auvog-
dd
|aavos-od9
acouama
Zoo)
|
7

Related product manuals