EasyManua.ls Logo

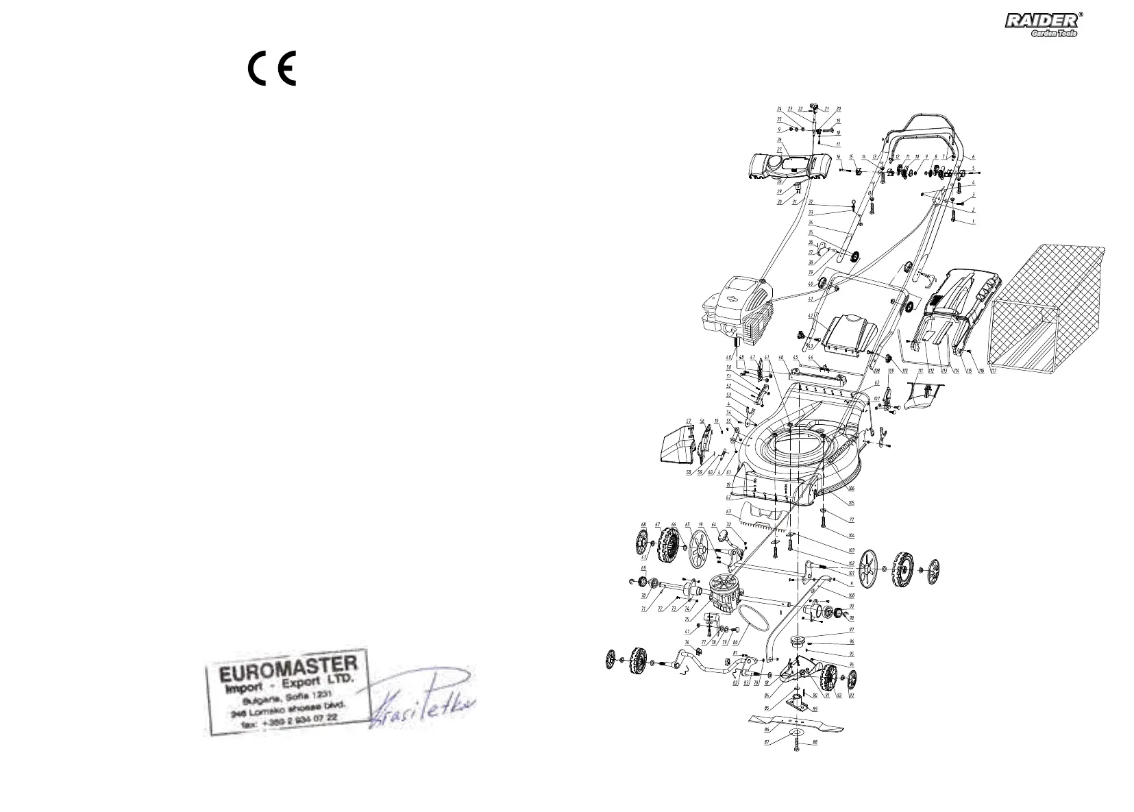
Raider RD-GLM08 - SPARE PARTS INFORMATION; EXPLODED VIEW AND SPARE PARTS LIST

Raider RD-GLM08
Print Icon
To Next Page IconTo Next Page
To Next Page IconTo Next Page
To Previous Page IconTo Previous Page
To Previous Page IconTo Previous Page
Loading...
58
59
www.raider.bg
IZJAVA O USTREZNOSTI
Euromaster Import Export ltd.
Naslov: Soa 1231, Bolgarija, 246 Lomsko shausse Blvd.
Izjavlja, da izdelek: Bencinska kosilnica
Blagovna znamka. “RAIDER”
Poimenovanje tipa: RD-GLM08
Skonstruiran in izdelan v skladu z naslednjimi direktivami:
2006/42/ES Evropskega parlamenta in Sveta z dne 17-th maja 2006 o strojih
2014/30/ES Evropskega parlamenta in Sveta z dne 26. februarja 2014 o uskladitvi zakonodaje
držav članic v zvezi z elektromagnetno združljivostjo.
2000/14/ES Evropskega parlamenta in Sveta z dne 8. maja 2000 o približevanju zakonodaje
držav članic v zvezi z emisijo hrupa v okolje, ki ga povzroča oprema za uporabo na prostem.
EN ISO 3744:2010.
Izmerjeno raven zvočne moči: 94.6 dB (A)
Zajamčena raven zvočne moči: 96 dB (A)
Priglašeni organ:0036
TÜV SÜD Industrie Service GmbH
Westendstraße 199 80686 MÜNCHEN Germany
Izdelek izpolnjuje potrebne zahteve naslednjih standardov:
EN ISO 5395-1:2013/A1:2018;
EN ISO 5395-2:2013/A2:2017;
EN ISO 14982:2009
Kraj in datum izdaje:
Soja, Bolgarija Produktni vodja:
16.10.2019 Krasimir Petkov
EXPLODED VIEW AND SPARE PARTS LIST

Related product manuals