EasyManua.ls Logo

Rainfresh RO450 - Installation du Robinet; Connexion Au Drain; Montage de Lunité; Installation de la Soupape À Étrier

Rainfresh RO450
24 pages
Print Icon
To Next Page IconTo Next Page
To Next Page IconTo Next Page
To Previous Page IconTo Previous Page
To Previous Page IconTo Previous Page
Loading...
17
Planifiez votre installation - Installation typique sous l'évier
Installation de sous-sol
Le système d'osmose inverse peut également être instal dans le
sous-sol avec seulement le tube bleu (eau filtrée) allant au robinet,
comme indiqué sur la figure 1B. Cela nécessitera un trou dans le
plafond du sous-sol et pourrait ne pas être possible dans toutes les
situations. La longueur maximale du tube d'eau filtrée ne doit pas
dépasser 15 pieds. Le système peut être fixé au mur à un endroit situé
à proximité d’une source d’eau et proche d’un siphon de sol ou d’un
bac à lessive.
Le réservoir de stockage peut être plasur une étagère proche de
l'unité. Évitez de poser le réservoir sur le sol.
Démarrer votre installation
Le système et l'installation doivent être conformes aux
réglementations nationales et locales.
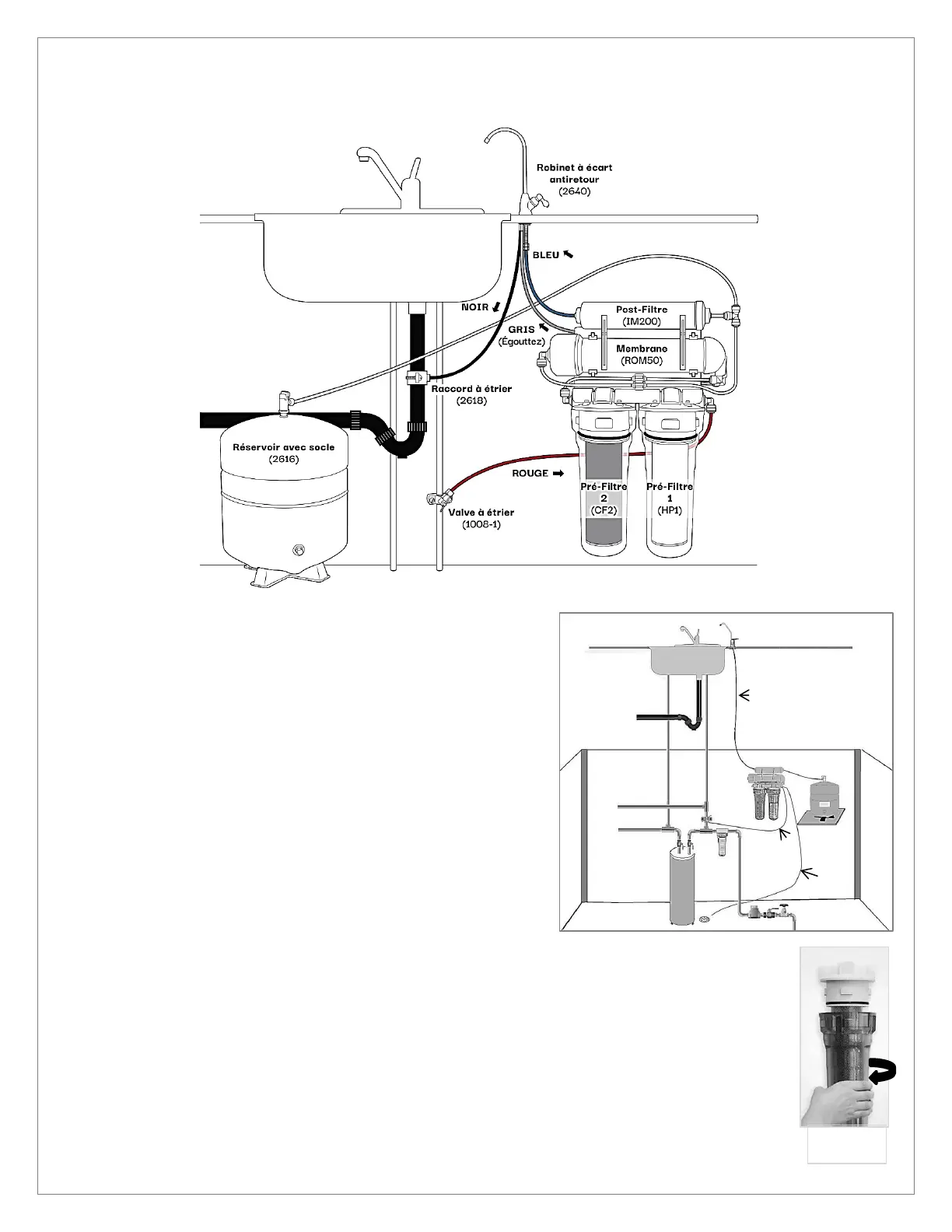
Installation typique illustrée à la figure 1A et 1B. L'installation comprend les étapes suivantes:
1. Installation du robinet
2. Connexion au drain
3. Montage de l’unité principale
4. Installation de la soupape à étrier
5. Raccordement du réservoir
Retirez chaque puisard (520) en le tournant de 1/8 de tour à gauche, puis en le tirant à l’écart de la tête
(2501) (Voir la fig2). Retirez les deux pré-filtres (HP1 et CF2) en les tournant doucement et en les tirant
vers le bas. Rangez les deux cartouches dans un endroit sûr jusqu'à l'assemblage final. La membrane
(ROM50) est emballée séparément.
Fig 1B
Fig 1A
Bleu
Rouge
Gris
Fig 2
2501
520

Other manuals for Rainfresh RO450