EasyManua.ls Logo

Raith ELPHY Quantum - General Installation Considerations

Default Icon
17 pages
Print Icon
To Next Page IconTo Next Page
To Next Page IconTo Next Page
To Previous Page IconTo Previous Page
To Previous Page IconTo Previous Page
Loading...
2 ELPHY Plus and ELPHY Quantum Hardware Guide
14
2.2.2 ELPHY Plus
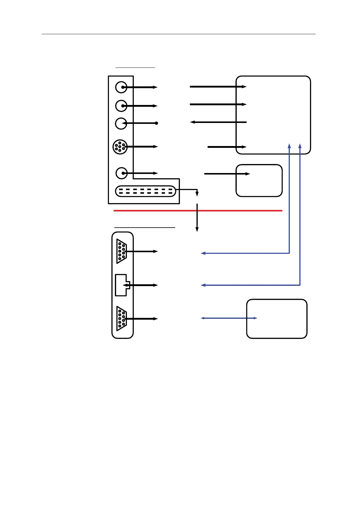
Figure 7
Typical ELPHY Plus
connection diagram.
2.3 General Installation Considerations
2.3.1 Power Supply
All systems are supplied with a power distribution board. The PC,
monitor, ELPHY Plus, Beam Blanker Electronics, Stage controller,
Picoammeter, when supplied should all be plugged into the
distribution board. The power for the board should be taken from the
X DAC Output
TTL Beam Blank Output
Y DAC Output
Video Input
External mode SEM Switch
SEM Interface
Beam Blanker Electronics
Elphy Plus
RS-232 SEM Control
TCP/IP SEM Control
RS-232 Stage Control
Stage Interface
PC, and Options
SCSI To PC SCSI Card