EasyManua.ls Logo

RAM promaster 2015 - Page 165

RAM promaster 2015
420 pages
Print Icon
To Next Page IconTo Next Page
To Next Page IconTo Next Page
To Previous Page IconTo Previous Page
To Previous Page IconTo Previous Page
Loading...
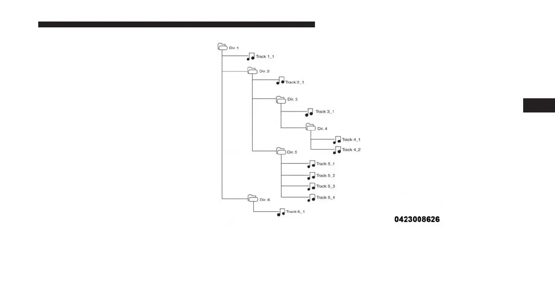
File Sequence
4
UNDERSTANDING YOUR INSTRUMENT PANEL 163

Table of Contents

Related product manuals