EasyManua.ls Logo

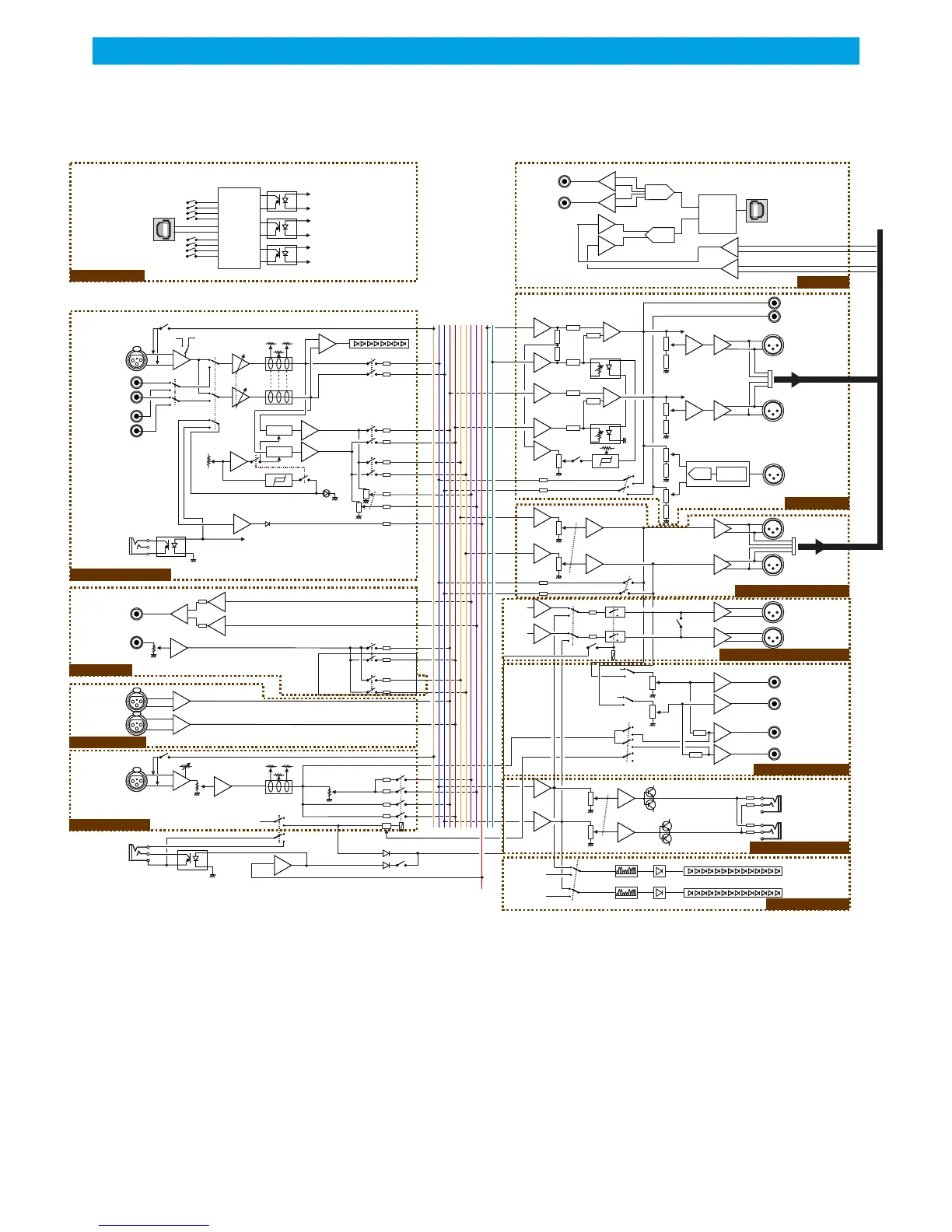
RAM RP500 - RP500 Block Diagram

RAM RP500
Print Icon
To Next Page IconTo Next Page
To Next Page IconTo Next Page
To Previous Page IconTo Previous Page
To Previous Page IconTo Previous Page
Loading...
MIC
Audio
OUT
ANTENNA
OUT L
PGM2 L
OUT CONTROL
AUX L
OUT CONTROL
AUX R
DIGITAL
OUT
ANTENNA
OUT R
MIX
OUT
STUDIO OUT
WITHOUT
TALKBACK
STUDIO OUT
WITH
TALKBACK
PHONES
FRONT PANEL
PHONES
REAR PANEL
MASTER
MIC
USB
USB
LINE1
LINE2
HYBRID
HYBRID
SEND
RETURN
START
RED
LIGHT
Mic/Line
Pre gain
-49 to -21dBu
-66 to
-38dBu
Vol
Sens
line1/line2
Phantom
Phantom
Module select
Channel select
mid
bass treble
mid
bass treble
PFL
ANT
ANT
MIX L
MIX R
PGM2
PGM2
Hybrid
Vumeter
VCA
VCA
End of course detect
Red light/mute
To interface MIDI START
mute
all mic for C.Room mute
mic on
pre gain
volume
ANT L
Hybrid
ANT R
start
level
start
Phantom
PFL L
PFL R
ANT L
ANT R
PGM2 L
PGM2 R
Hybrid L
Hybrid R
Red light mute
Left
Right
EXTENSION
Left
EXTENSION
Right
7 identical INPUT modules
MASTER MIC module
HYBRID module
EXTENTION module
MIDI START module
USB module
OUTPUT module
PROGRAM 2 OUTPUT module
CONTROL ROOM OUTPUT module
STUDIO OUTPUT module
PHONES OUTPUT module
PEAKMETER module
Processor
USB
Controller
From START input
From START input
From START input
-
-
+
ADC
DAC
analog adjust
PFL
PFL
ANT/PFL
PGM2
Talkback
PGM2
MIX L
MIX R
Mono
Autofade
on/off
Time
analog
adjust
digital adjust
digital adjust
PGM2 Level
Mix L
Mix R
PGM2 R
-
-
-
-
AES/EBU
Controller
ADC
ANT/PFL
PEAKMETER
ANT/PFL
Total rectifier
MIX L
MIX R
-35
-35
-28
-28
-22
-22
-18
-18
-15
-15
-12
-12
-9
-9
-6
-6
-3
-3
-1
-1
0
0
+1
+1
+3
+3
+6
+6
en dB
en dB
release
+
+
+
-
-
Internal select Antenna OUT
BLOCK DIAGRAM
to USB IN (or in order:
PGM2 OUT to USB IN )
RAmi
RP500
5