EasyManua.ls Logo

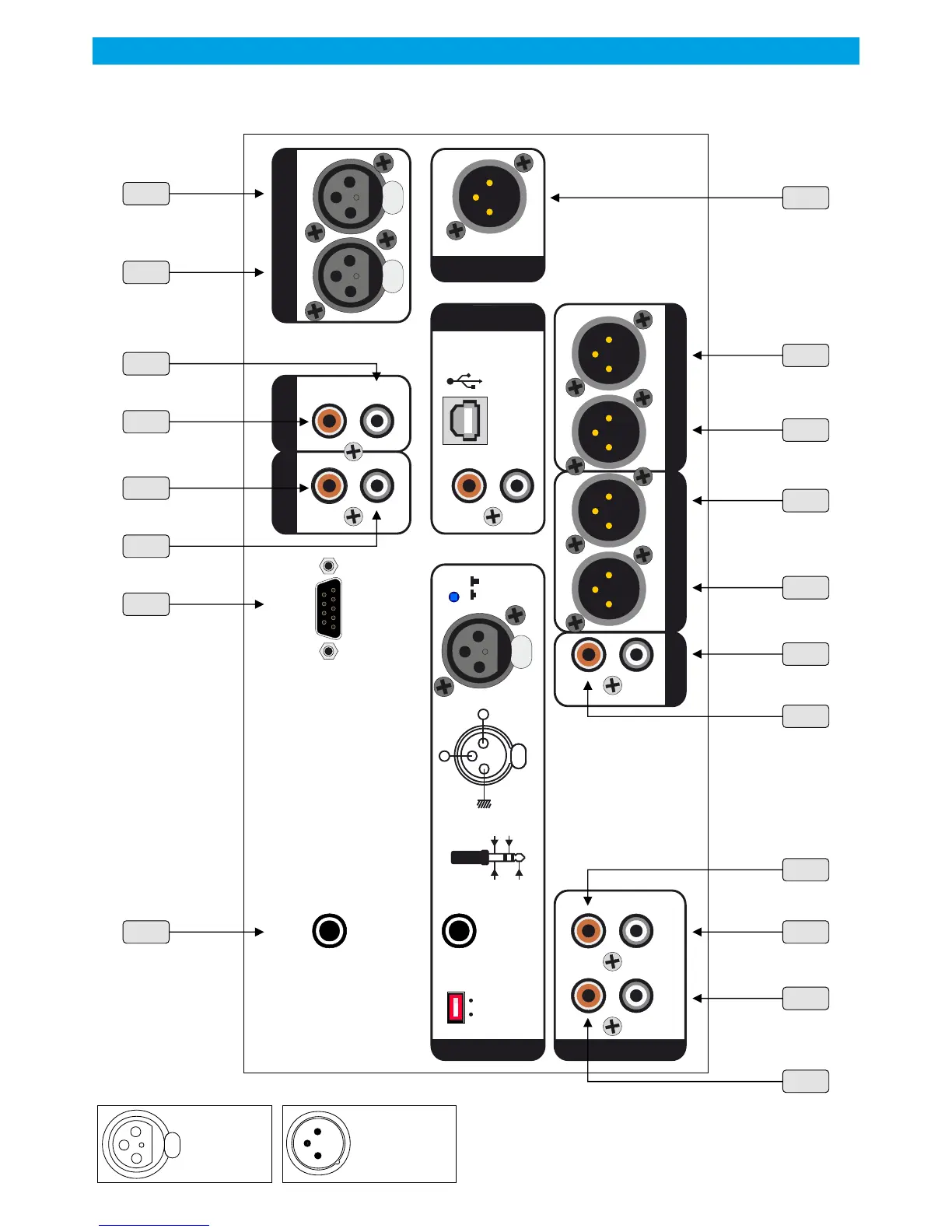
RAM RP500 - Output Module - Rear Panel

RAM RP500
Print Icon
To Next Page IconTo Next Page
To Next Page IconTo Next Page
To Previous Page IconTo Previous Page
To Previous Page IconTo Previous Page
Loading...
LINE
MICRO
EXTENSION
ANALOG
MIX OUT
HYBRID
ANTENNA
R
R
TALKBACK
TALKBACK
TALKBACK
R
L
L
L
MASTER MIC STUDIO OUT
R
L
C.ROOM
1
+
-
3
2
R
L
R
L
DIGITAL OUT
AES / EBU
ALL MIC+DJ
DJ ONLY
C.ROOM MUTE
R L R L
SEND
USB AUDIO OUT
RETURN
PHONES
POWER SUPPLY
+15V DC / 1 A max
- 15V DC / 1 A max
ON AIR
GPO
PGM2 / REC
USB AUDIO IN/OUT
WITHOUT WITH
MASTER MIC
OTHER MIC
PUSH
PUSHPUSH
3
2
1
1: Earth
2: + (hot)
3: - (cold)
XLR 3 pts Male
2
1
3
PUSH
XLR 3 pts Female
1: Earth
2: + (hot)
3: - (cold)
Example: XLR wiring
I
J
M
N
R
P
O
S
Q
L
K
A
B
D
E
F
G
H
C
OUTPUT MODULE - REAR PANEL
RAmi
RP500
16