EasyManua.ls Logo

Ranco ETC Series - Control Mounting; Mounting Instructions; Conduit Connections; Anti-Short Cycle Compressor Delay

Ranco ETC Series
6 pages
Print Icon
To Next Page IconTo Next Page
To Next Page IconTo Next Page
To Previous Page IconTo Previous Page
To Previous Page IconTo Previous Page
Loading...
4
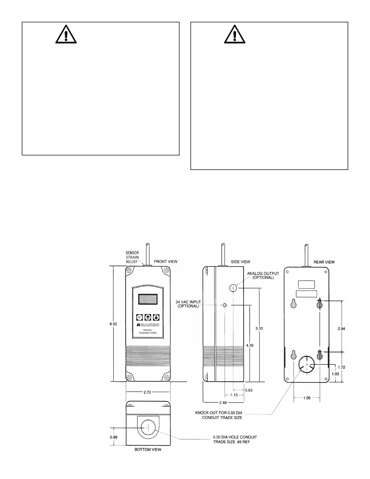
Figure 5: Dimensions (Inches)
CONTROL MOUNTING
Mount the ETC to a wall or any at surface using a combinaon of any
two or more of the sloed holes located on the back of the control
case. The control’s components are not posion sensive, but should
be mounted so that they can be easily wired and adjusted. Avoid
excessive condions of moisture, dirt, dust and corrosive atmosphere.
The ETC has provisions for 1/2 inch conduit connecons. The conduit
hub should be secured to the conduit before securing the hub to the
plasc housing of the control. When using the conduit entry in the rear
of the case, a standard plug should be inserted into the conduit hole
in the boom. Cauon should be exercised not to damage the control
circuit board or wiring when installing
a conduit connector.
CAUTION
Read all of the informaon in these instrucons before installing
or operang the ETC control.
The schemac drawings and other informaon included in these
installaon instrucons are for the purpose of illustraon and
general reference only.
ETC controls are not to be located in areas of signicant moisture,
dirt or dust as use of the control in such environment may cause
personal injury or property damage and is likely to shorten the
control life.
It is the responsibility of the installer and the user to assure
that the applicaon and use of the ETC control is in compliance
with all applicable federal, state, and local laws, regulaons and
ordinances, including, without any limitaon, all requirements
imposed under the Naonal Electric Code and any applicable
building codes.
PRÉCAUTIONS
Lire toutes les informaons contenues dans ces instrucons avant
d’installer ou d’uliser le contrôleur ETC.
Les schémas et toutes les autres informaons gurant dans ces
instrucons d’installaon sont indiqués à des ns d’illustraon et
de référence générale seulement.
Les contrôleurs ETC ne doivent pas être placés dans des zones
ayant un taux d’humidité élevé, de la saleté ou de la poussière,
car l’ulisaon du contrôleur dans de tels environnements peut
engendrer des blessures ou des dommages matériels et est
suscepble de raccourcir la durée de vie du contrôleur.
Il est de la responsabilité de l’installateur et de l’ulisateur de
s’assurer que l’installaon et l’ulisaon du contrôleur ETC soit
faites en conformité avec tous les règlements, lois, et ordonnances
fédéraux, provinciaux, et locaux, y compris, sans y être limité,
toutes les exigences imposées par la Naonal Electric Code ainsi
que tous les codes du bâment, en vigueur.
ANTI-SHORT CYCLE COMPRESSOR DELAY
When the unit is configured for cooling and there is a call for cooling,
the relay will not activate until the Anti-short Cycle Compressor
Delay is satisfied. During an Anti-short Cycle Compressor Delay, the
temperature will alternate with Cd to indicate the Relay On is delayed.
If Relay 1 is in Anti-short Cycle Compressor Delay, the temperature will
alternate with aCd or S1 icon. If Relay 2 is in Anti-short Cycle Compressor
Delay mode, the temperature will alternate with a Cd or S2 icon.

Related product manuals