EasyManua.ls Logo

Ranco ETC Series - Control Wiring; General Wiring Considerations; Input and Output Wiring Diagrams; Analog Output

Ranco ETC Series
6 pages
Print Icon
To Next Page IconTo Next Page
To Next Page IconTo Next Page
To Previous Page IconTo Previous Page
To Previous Page IconTo Previous Page
Loading...
5
CONTROL WIRING
General
All wiring should conform to the Naonal Electric Code and local
regulaons.
The total electrical load must not exceed the maximum rang of the
control (see Specicaons).
Use copper conductors only.
Electrical leads should not be taut; allow slack for temperature
change and vibraon.
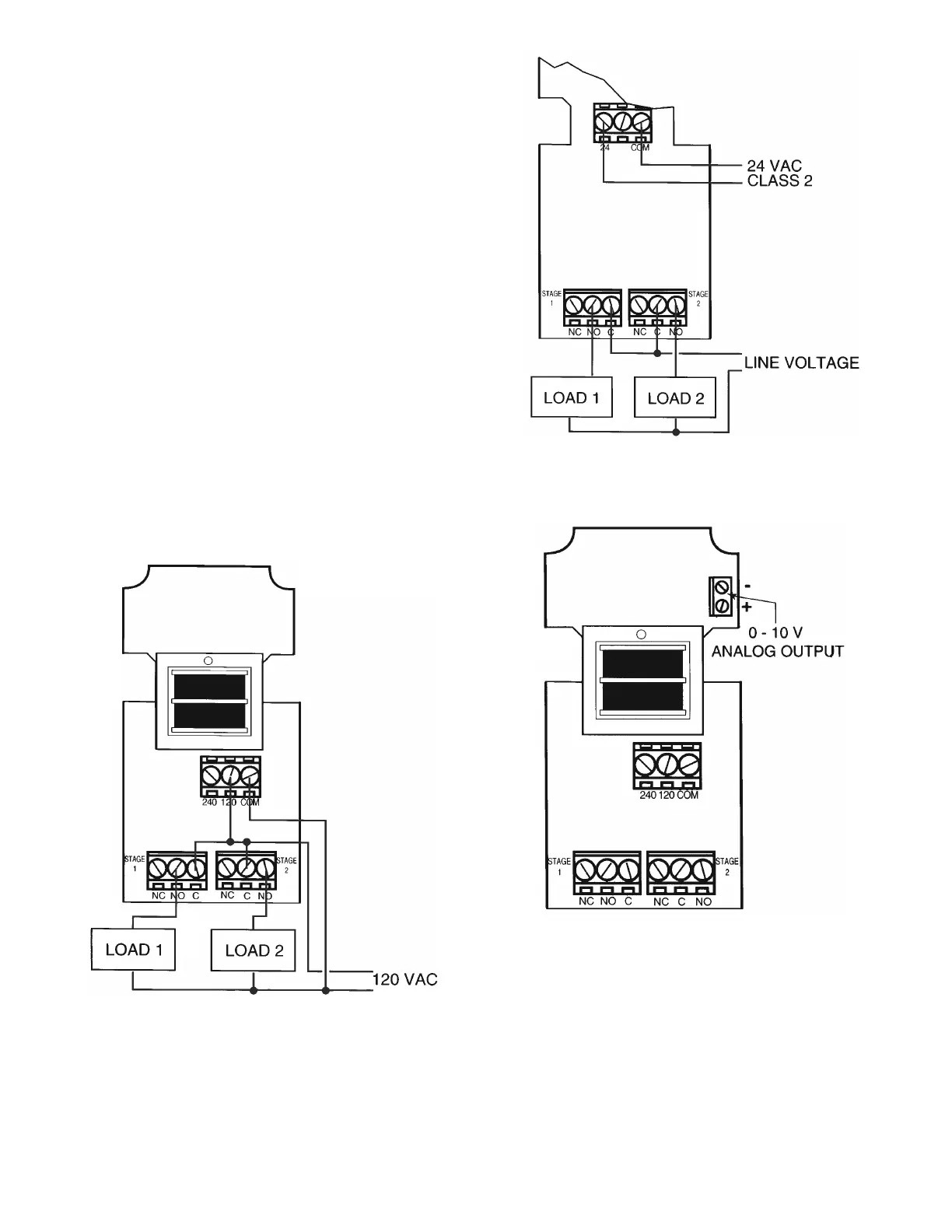
Input and Output Wiring
For typical wiring diagrams, refer to Figures 6 and 7. All connecons are
made to the power (lower) circuit board. When using the 24V AC
powered models, the 24V AC input lines must enter through the
sidewall of the case. Refer to Figure 5 for locaon of the entry hole.
Analog Output
ETC models are available with an oponal 0 to 10 volt analog output.
This signal is a linear representaon of the sensor temperature with
0 volts = -30°F and 10 volts = 220°F. See gure 8 for wiring informaon
and Figure 5 for locaon of the entry hole. The reference for this output
is designated by the ”-” symbol on the wiring diagram. The output
signal is designated by the ”+” symbol.
Figure 8: 0-10 V Analog Output
Located on Power (Lower) Circuit Board
Figure 7: Typical Wiring Diagram for 24 VAC Power Input
and Line Voltage Switching.
Figure 6: Typical Voltage Wiring Diagram.
FIELD REPAIRS
Field calibrang or repairs to the ETC control must not be aempted.
Sensors and replacement controls are available through Ranco
wholesalers.
SENSOR MOUNTING
For space sensing, mount the sensor where it will be unaected by
heat/cool discharge or radiated heat sources. Spot sensing requires the
sensor to be in good contact with the surface being sensed. The sensor
can be inserted in a bulb well for immersion sensing.

Related product manuals