EasyManua.ls Logo

Ravelli Sofia - 12 Electric Wiring Diagrams

Ravelli Sofia
26 pages
Print Icon
To Next Page IconTo Next Page
To Next Page IconTo Next Page
To Previous Page IconTo Previous Page
To Previous Page IconTo Previous Page
Loading...
Pag.26
,QWH
J
UDWHG
P
L
FURSURFHVVR
U
)
1
)8
0
,

6&
$0%
&2&
$
/
$
/
1
7
&
7(50
1$0%
1
+
2
13(/
(1
&
9
*
1
'
%OXH
&
DSDFLWRU
5
H
G
%OXH
%ODFN
%O
DF
N
<HOORZ
*
UHHQ
<HOORZ
*
UHHQ
<HOORZ
*
UHHQ
%
U
R
ZQ
%O
X
H
%OXH
%ODFN
%O
XH
%O
DF
N
:KLW
H
:KL
W
H
:KL
W
H
:KL
W
H
<HOORZ
*
UHHQ
%
U
R
Z
Q
%O
X
H
%ODFN
%
U
R
Z
Q
%OXH
<HOORZ
*
UHHQ
%
O
XH
%ODFN
%
U
R
Z
Q
:KLW
H
%U
R
Z
Q
%OXH
%OXH
%ODFN
%ODFN
%OXH
%
O
DF
N
%
U
R
Z
Q
%OXH
%OXH
%
O
XH

(
Q
FRGHU
5HG
%ODFN
:KL
W
H
%
U
R
Z
Q
%O
DFN
%
U
R
Z
Q
%O
DF
N
%
U
R
Z
Q
%OXH
(
[W
H
UQ
DO
W
KH
UP
RV
W
D
W
1
2
7
68
33/,(
'
0RWKHUERDUG
&
RG/B
6
(5,$
/
&2
11(
&
7
25
'(%,0(75
2
$8
;
$8
;
9
3
2
$
/
5(/$<
$
8;
%
URZ
Q
%OXH
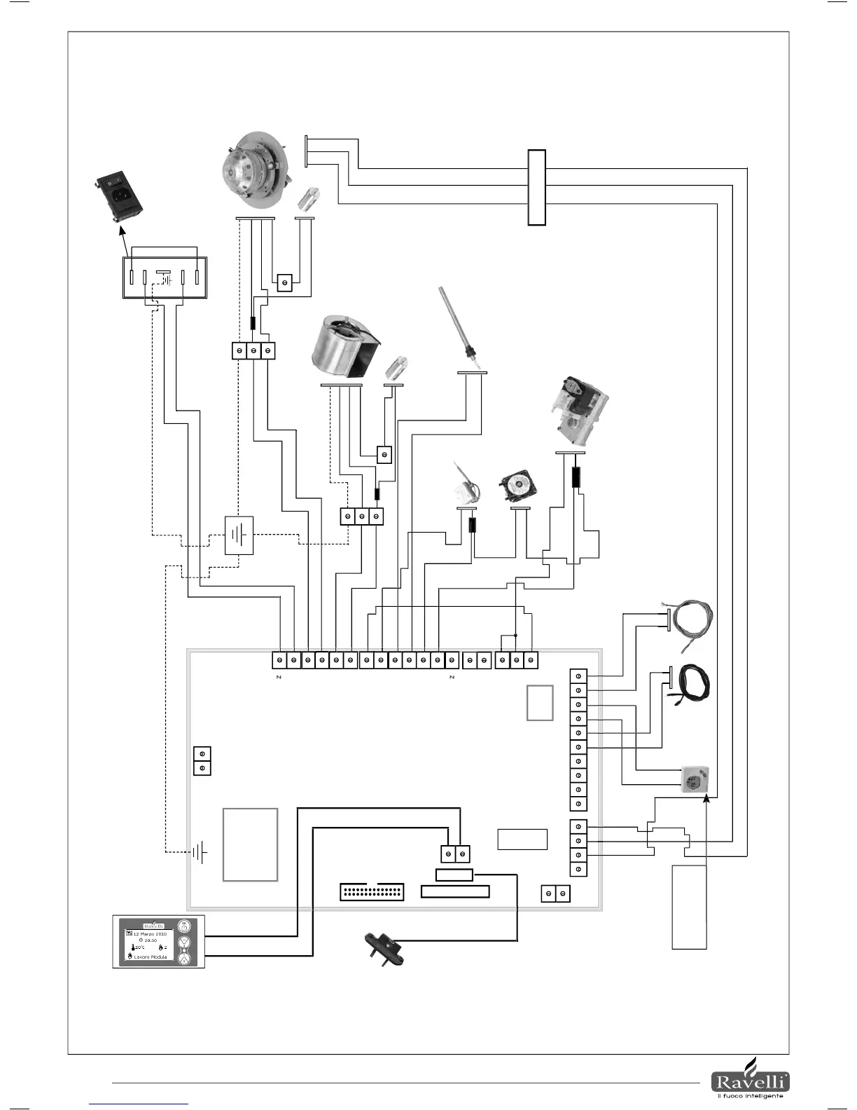
12. The electrical wiring diagram

Table of Contents

Other manuals for Ravelli Sofia

Related product manuals