EasyManua.ls Logo

Rayburn OF7 - Wiring Diagrams and Parts Lists

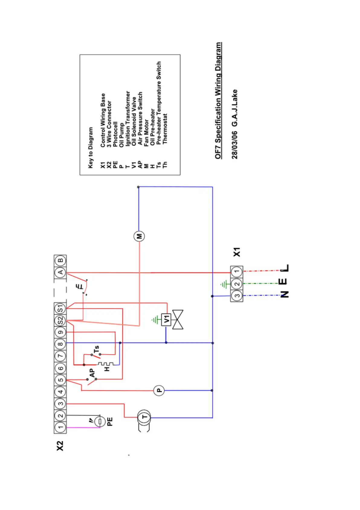
Rayburn OF7
18 pages
Print Icon
To Next Page IconTo Next Page
To Next Page IconTo Next Page
To Previous Page IconTo Previous Page
To Previous Page IconTo Previous Page
Loading...

Related product manuals