EasyManua.ls Logo

Razorweld 8000X - Parts List

Default Icon
8 pages
Print Icon
To Next Page IconTo Next Page
To Next Page IconTo Next Page
To Previous Page IconTo Previous Page
To Previous Page IconTo Previous Page
Loading...
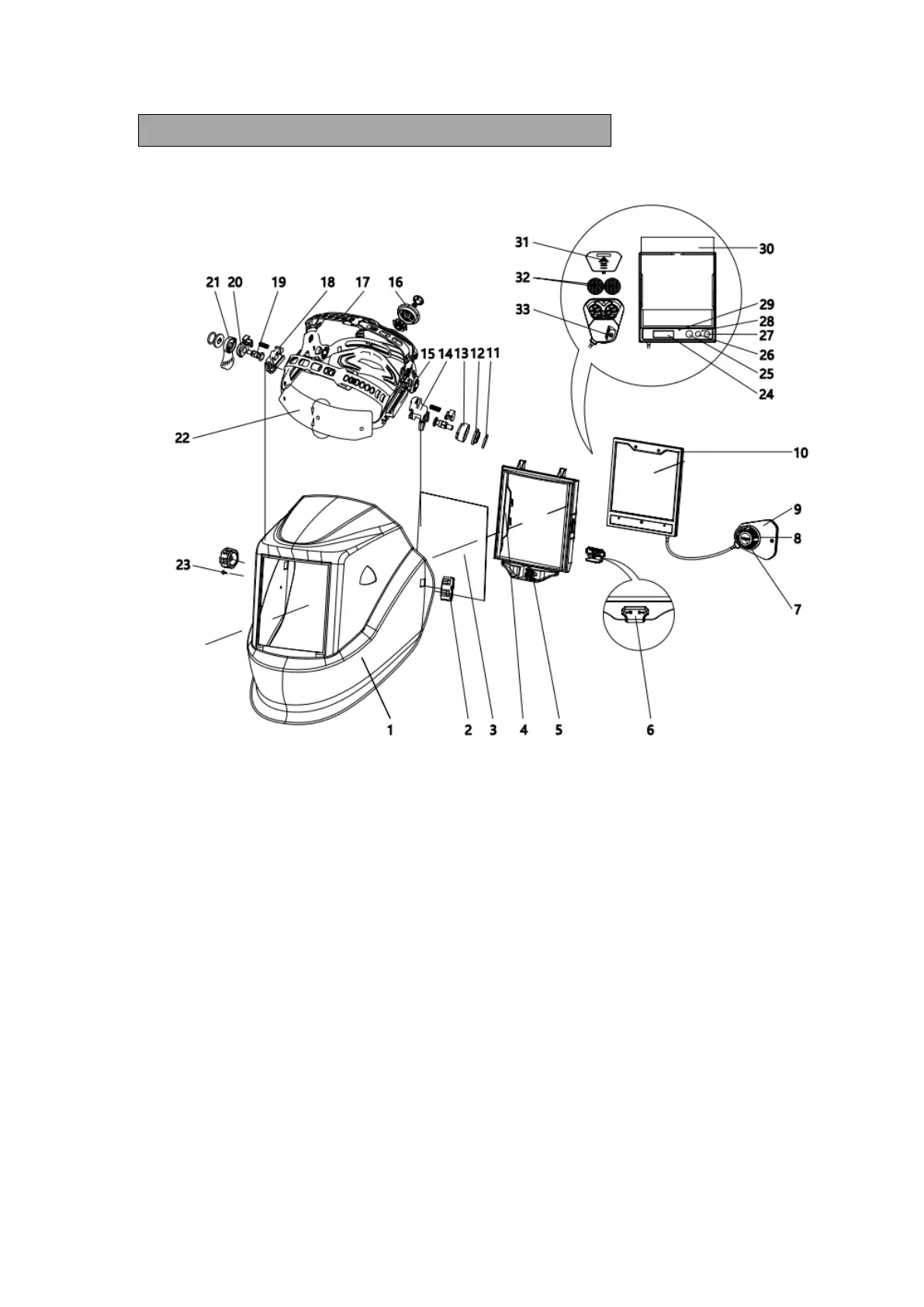
1. Helmet shell
2.
H
eadgear screw
3. Outer protection lens
4.
A
DF cradle
5.
Ma
gnifying lens holder
6. Cradle lock
7. Grind button
8. shade Kno
b
9. B
attery case
10. ADF
11. O ring
12. headgear side knob cover
13. h
eadgear side knob
14. B
lock washer adjustment
15. Headgear slider
16.Headband tightness
adjusting knob
17.
h
eadgear
18. Block washer adjustment
19.
h
eadgear screw
20.Block washers
21.Rake adjustment
22.sweatband
23.position nut
24. LCD display
25. Shade button
26. Sensitivity button
27. Delay button
28. Lock shade indicate
29. Low battery/Grind indicate
30. Inner cover
31. battery cover
32. Battery
33. Shade range switch
PARTS LIST(Figure 1)