EasyManua.ls Logo

RCA DRC8005N - Connection: DVD Recorder + TV + VCR (Optional)

RCA DRC8005N
60 pages
Print Icon
To Next Page IconTo Next Page
To Next Page IconTo Next Page
To Previous Page IconTo Previous Page
To Previous Page IconTo Previous Page
Loading...
Chapter 1: Connections and Setup
OPTICAL
COAXIAL
Y
Pb
ON
OFF
VIDEO
INPUT
RF ANTENNA/CABLE
INPUT
L
R
PROG.
SCAN
AUDIO
VIDEO
OUTPUT
L
R
AUDIO
S-VIDEO OUT
S-VIDEO IN
Pr
COMPONENT
VIDEO OUTPUT
DIGITAL
AUDIO OUT
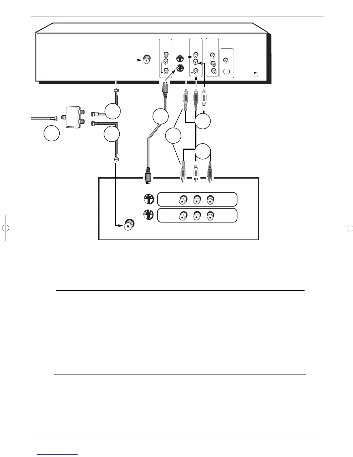
Details about the different kinds of cables used to connect your DVD Recorder are on page 4.
To watch one program while you
record another:
To play a disc
Tu ne the TV to its Input 1 channel or Vid 1 channel
Tune the DVD Recorder to the channel you want to record, and press
RECORD.
Use the buttons on the TV (or the TV’s remote control*) to tune the TV to
the channel you want to watch.
Tu ne the TV its Input 1 channel or Vid 1 channel.
If you need help finding your TV’s various Video Input Channels, go to page 16.
* The remote control packed with your DVD Recorder is capable of being programmed to operate many brands and models of TVs and VCRs. For
instructions, go to page 19. If the remote operates your TV, press TV and INPUT to access the Video Input Channel.
The back of your TV might look
different than the one pictured here.
VIDEO L
R
INPUT1
INPUT2
S-VIDEO
CABLE/ANTENNA
S-VIDEO
From Cable Line or
Off-air antenna
1
1
2
2
3
3
4b
4b
4a
4a
4a
4a
DVD Recorder
TV
6 Graphics contained within this publication are for representation only.
4c
4c
DRC8005N_part1_2_1 2/2/04 6:21 PM Page 6

Table of Contents

Related product manuals