EasyManua.ls Logo

RCA DRC8060N - Copying Content Between Devices

RCA DRC8060N
68 pages
Print Icon
To Next Page IconTo Next Page
To Next Page IconTo Next Page
To Previous Page IconTo Previous Page
To Previous Page IconTo Previous Page
Loading...
Graphics contained within this publication are for representation only.
60
Chapter 6: Additional Information
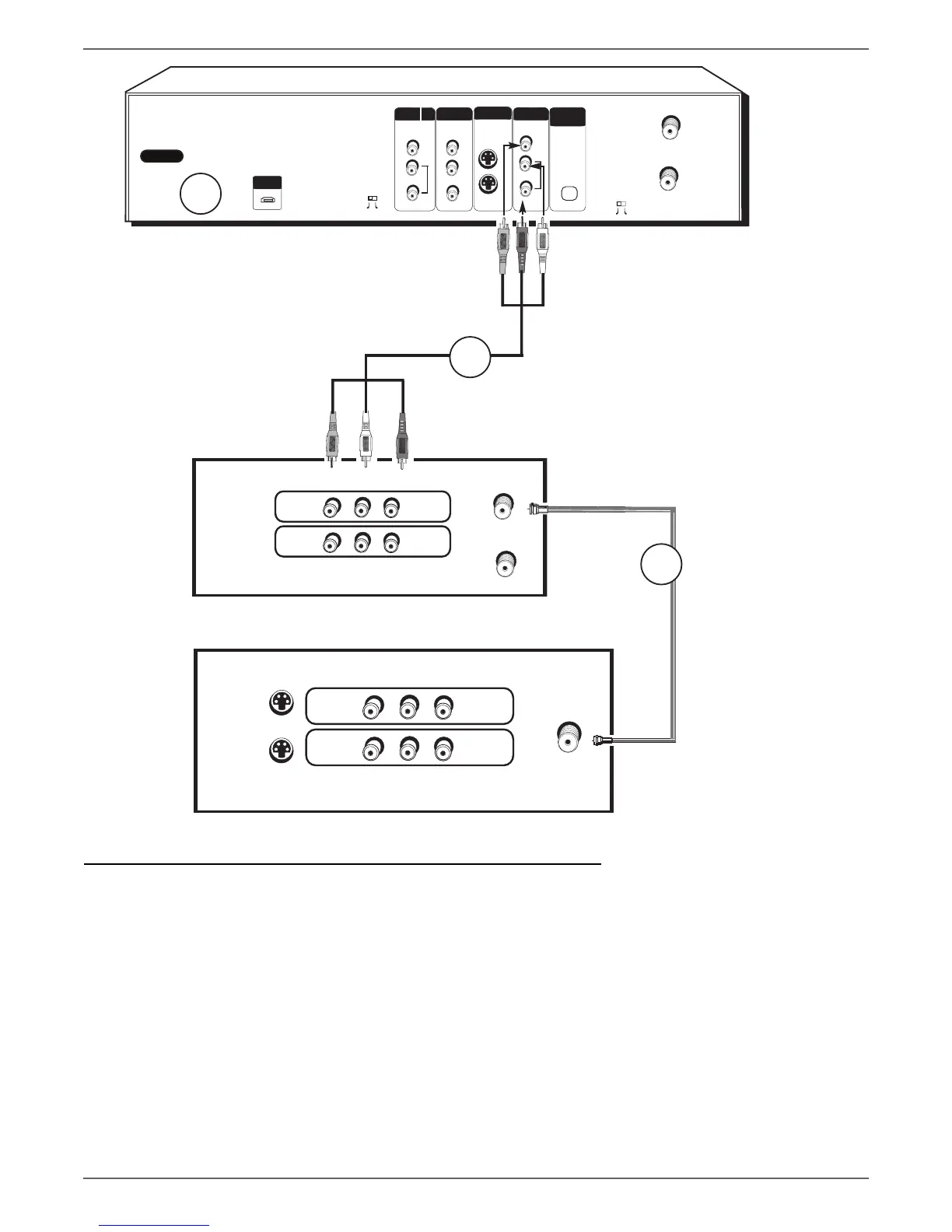
Copying content from a DVD+R or DVD+RW disc to a VCR videocassette
The following instructions are provided for a general connection in case you might want to copy content from a disc you recorded to a VCR videocassette.The back of your
TV and VCR probably don’t exactly match the ones shown here. In general, you just need to connect the DVD recorder’s Output jacks to the VCR’s Input Jacks. Also, you
need to be able to see what your copying, so the TV needs to be connected.
1. Connect the DVD recorder to the VCR. Connect a set of audio/video cables to the DVD recorder’s OUTPUT VIDEO (yellow),AUDIO L (white), and AUDIO R (red)
jacks, to the VCR’s Input Jacks (sometimes labeled VIDEO and AUDIO L and R).
2. Connect the VCR to the TV. Connect an RF coaxial cable to the OUT TO TV jack on the VCR and to the IN FROM CABLE/ANTENNA jack on the TV.
3. Make sure all of the components (TV,VCR, and DVD recorder) are plugged into working power outlets.
4. Turn on all of the components.
5. Tune the TV to channel 3 or 4 (depending on the whether the VCR’s 3/4 switch is set to 3 or 4) because the VCR is connected to the TV with an RF Coaxial Cable.
6. Change the channel on the VCR to its Video Input Channel (sometimes called LINE or LINE INPUT) because the DVD recorder is connected to the VCR’s INPUT jacks.
7. Insert the DVD+R or DVD+RW disc you want to copy to a videocassette into the DVD recorder.
8. Insert a working videocassette tape into the VCR.
9. Press the RECORD button on the VCR.
10. Start playback on DVD recorder.
OPTICAL
ON
OFF
OUTPUT
L
R
PROG.
SCAN
AUDIO
OUT
IN
INPUT
CABLE/ANTENNA
CH4
CH3
AC IN
DIGITAL
AUDIO OUT
INPUT
S-VIDEO
VIDEO
OUTPUT
Y
Pb
Pr
COMPONENT VIDEO OUT
L
R
AUDIO
VIDEO
HDMI OUT
VIDEOL
R
INPUT
OUTPUT
OUT TO TV
IN FROM ANTENNA
1
3
VIDEO L
R
INPUT1
INPUT2
S-VIDEO
S-VIDEO
CABLE/ANTENNA
2
DVD Recorder
VCR
TV
Note: Copy-protected content, such
as pre-recorded DVD titles, cannot
be recorded, copied, or duplicated.

Table of Contents

Related product manuals