EasyManua.ls Logo

RCA DRC8060N - Copying Content from a VCR Videocassette to a DVD+R or DVD+RW Disc

RCA DRC8060N
68 pages
Print Icon
To Next Page IconTo Next Page
To Next Page IconTo Next Page
To Previous Page IconTo Previous Page
To Previous Page IconTo Previous Page
Loading...
Graphics contained within this publication are for representation only.
61
Chapter 6: Additional Information
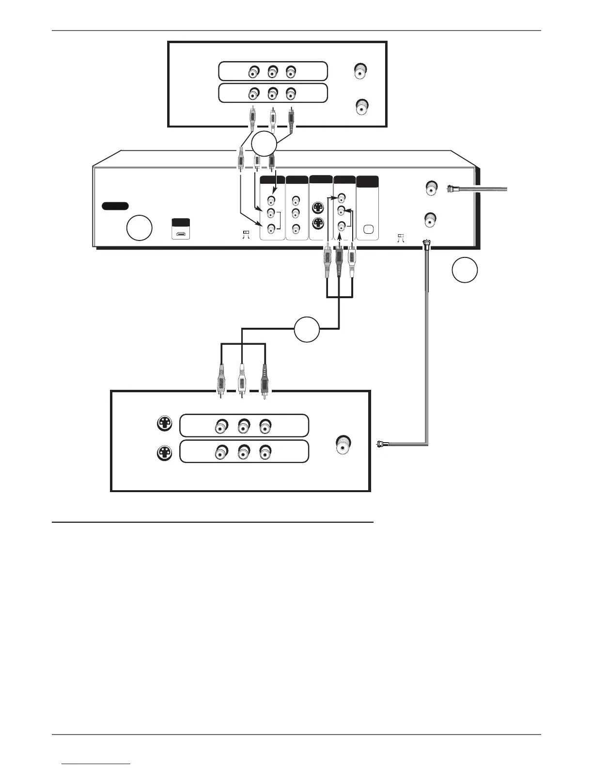
Copying content from a VCR videocassette to a DVD+R or DVD+RW disc
The following instructions are provided for a general connection in case you want to copy your VCR videocassettes to disc. The back of your TV and VCR probably don’t
exactly match the ones shown here. In general, you just need to connect the VCR’s Output Jacks to the DVD recorder’s Input Jacks. Also, you need to be able to see what
your copying, so the TV needs to be connected.
1. Connect the DVD recorder to the VCR. Connect a set of audio/video cables to the DVD recorder’s INPUT VIDEO (yellow),AUDIO L (white), and AUDIO R (red) jacks,
to the VCR’s OUTPUT Jacks (sometimes labeled OUTPUT VIDEO and AUDIO L and R).
2. Connect the DVD recorder to the TV. Connect a set of audio/video cables to the DVD recorder’s OUTPUT VIDEO (yellow),AUDIO L (white), and AUDIO R (red) jacks,
to the TV’s INPUT Jacks (sometimes labeled INPUT VIDEO, L and R).
3. Use the RF coaxial cable that was packed with your unit, and connect one end to the CABLE/ANTENNA OUTPUT jack on the DVD recorder. Connect the other end
to the Cable/Antenna Input jack on your TV (sometimes labeled CABLE/ANTENNA).
4. Make sure all of the components (TV,VCR, and DVD recorder) are plugged into working power outlets.
5. Turn on all of the components.
6. Tune the TV to the Video Input Channel that corresponds with the Audio/Video Input jacks you used to connect it to the DVD recorder.
7. Insert the videocassette you want to record onto disc into the VCR, and cue it up.
8. Tune the DVD recorder to its Video Input Channel (press the DVD button and then the INPUT button on the DVD recorder’s remote control).
9. Put a DVD+R or DVD+RW disc into the DVD recorder, and press RECORD.
10. Press PLAY on the VCR.
11. When you’re fi nished recording, press STOP on the DVD recorder and tune the TV to its Video Input Channel so it displays content playing in the DVD recorder.
12. Make sure the content copied by playing the disc.
OPTICAL
ON
OFF
OUTPUT
L
R
PROG.
SCAN
AUDIO
OUT
IN
INPUT
CABLE/ANTENNA
CH4
CH3
AC IN
DIGITAL
AUDIO OUT
INPUT
S-VIDEO
VIDEO
OUTPUT
Y
Pb
Pr
COMPONENT VIDEO OUT
L
R
AUDIO
VIDEO
HDMI OUT
VIDEO L
R
INPUT1
INPUT2
S-VIDEO
S-VIDEO
CABLE/ANTENNA
3
2
4
VIDEOL
R
INPUT
OUTPUT
OUT TO TV
IN FROM ANTENNA
1
DVD Recorder
VCR
TV
Note: Copy-protected content,
such as pre-recorded VHS
movies, cannot be duplicated.

Table of Contents

Related product manuals