EasyManua.ls Logo

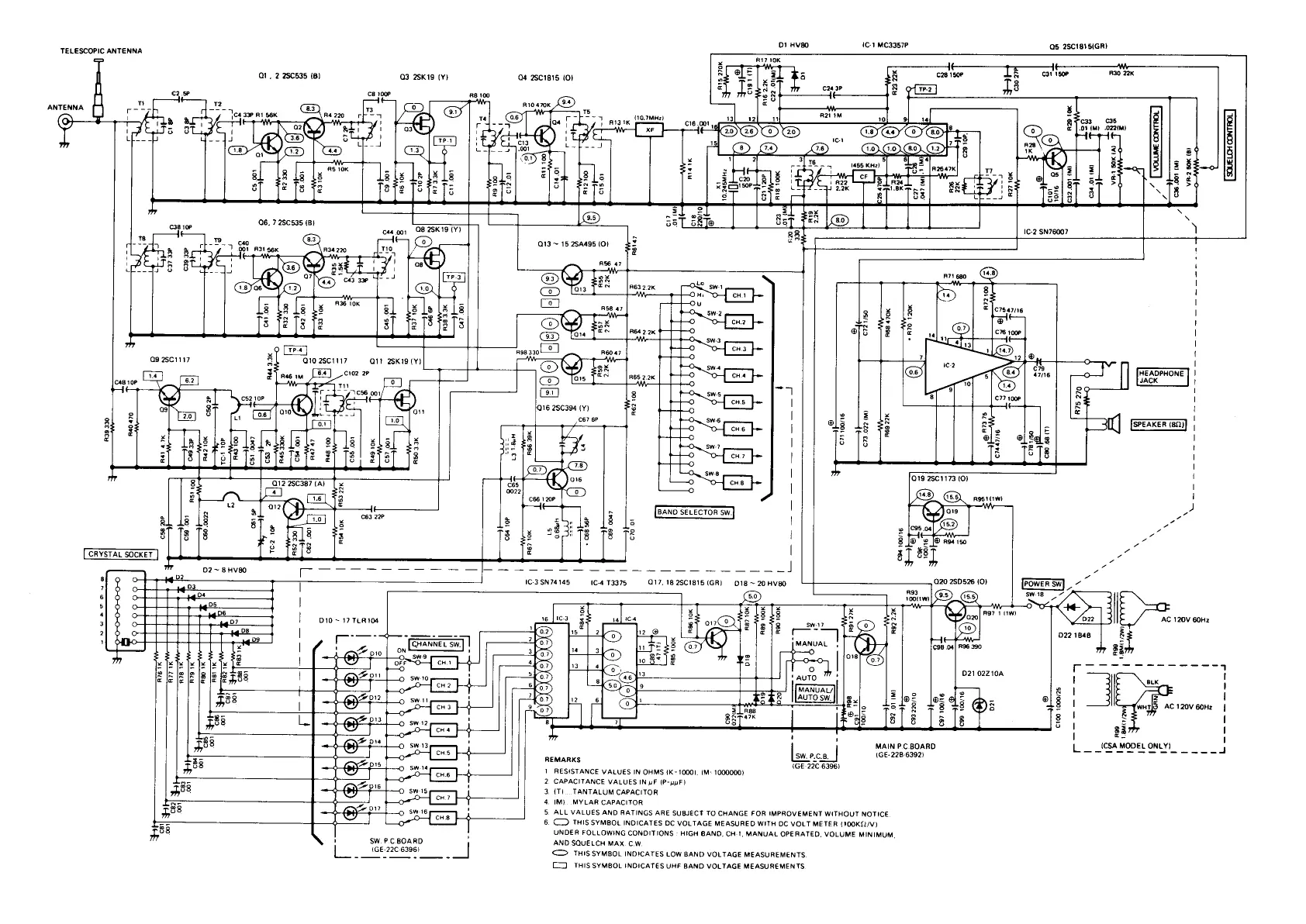
Realistic Pro-53 - Component Identification

Realistic Pro-53
7 pages
Print Icon
To Previous Page IconTo Previous Page
To Previous Page IconTo Previous Page
Loading...

Related product manuals