EasyManua.ls Logo

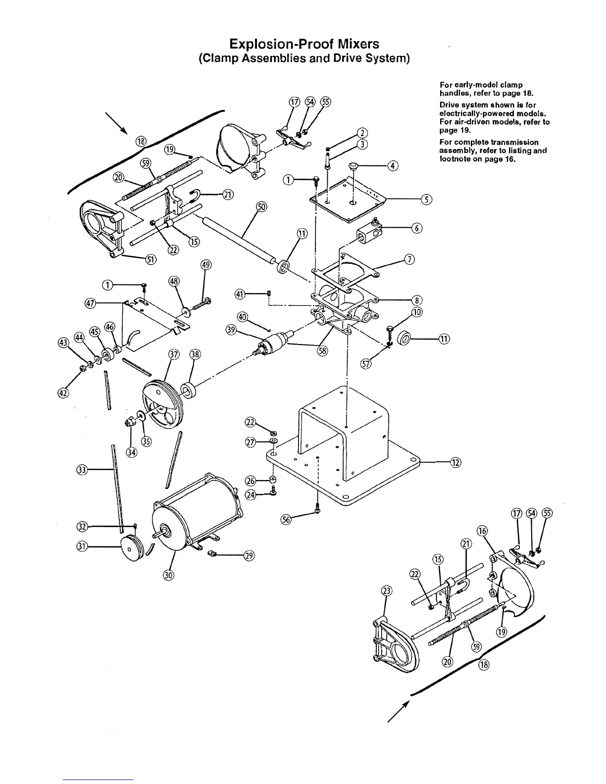
RED DEVIL 5410-02 - Explosion-Proof Mixers (Clamp Assemblies and Drive System)

Default Icon
22 pages
Print Icon
To Next Page IconTo Next Page
To Next Page IconTo Next Page
To Previous Page IconTo Previous Page
To Previous Page IconTo Previous Page
Loading...
Old Style XP Motor
Right Clamp Assembly
0-5463-00 Standard
0-5465-00 Heavy Duty
Left Clamp Assembly
0-5462-00 Standard
0-5464-00 Heavy Duty
16

Related product manuals