EasyManua.ls Logo

RED COMPACT 18 - 17-Wiring Diagram

RED COMPACT 18
76 pages
Print Icon
To Next Page IconTo Next Page
To Next Page IconTo Next Page
To Previous Page IconTo Previous Page
To Previous Page IconTo Previous Page
Loading...
73
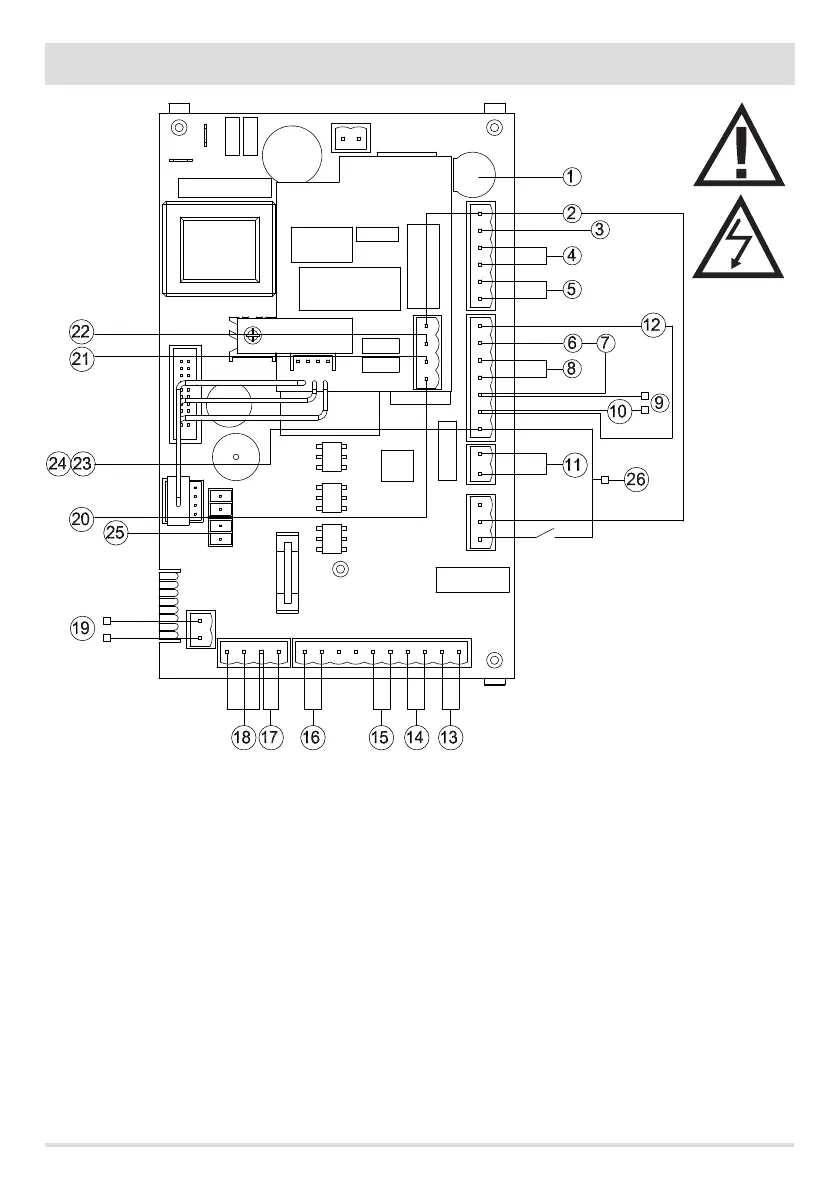
17-WIRING DIAGRAM
Technical Dept. - All rights reserved - Reproduction is prohibited
MOTHERBOARD WIRING KEY
1. FUSE
2. BOARD PHASE
3. BOARD NEUTRAL
4. SMOKE EXTRACTOR FAN
5. ROOM FAN
6. PELLET SAFETY THERMOSTAT
7. WATER TEMPERATURE OVERLOAD CUT-OUT
8. SPARK PLUG
9. CONNECT TO THE WATER PRESSURE SWITCH OF THE
HYDRAULIC KIT (OPTIONAL)
10. AIR PRESSURE SWITCH
11. AUXILIARY BOILER CONNECTION (TERMINAL)
12. FEED SCREW
13. SMOKE TEMPERATURE PROBE
14. EXTERNAL THERMOSTAT CONNECTION (TERMINAL)
15. ROOM TEMPERATURE PROBE
16. PUFFER/BOILER PROBE CONNECTION (TERMINAL)
17. BOILER WATER TEMPERATURE PROBE
18. SMOKE EXTRACTOR FAN REVOLUTION CONTROL
19. BOILER FLOW SWITCH OR THERMOSTAT TO CONNECT TO THE
HYDRAULIC KIT (OPTIONAL)
20. 3-WAY VALVE PHASE (HEATING)
21. 3-WAY VALVE PHASE (DOMESTIC)
22. PUMP PHASE
23. PUMP NEUTRAL
24. 3-WAY VALVE NEUTRAL
25. CONTROL PANEL
26. BRAZIER CLEANING SOLENOID VALVE
PLEASE NOTE The electrical wiring of individual components is tted with pre-wired connectors of dierent sizes.

Other manuals for RED COMPACT 18

Related product manuals