EasyManua.ls Logo

Reebok Rtx455 - Page 32

Reebok Rtx455
34 pages
Print Icon
To Next Page IconTo Next Page
To Next Page IconTo Next Page
To Previous Page IconTo Previous Page
To Previous Page IconTo Previous Page
Loading...
47
48
45
46
64
113
1
5
6
7
8
9
10
67
12
13
14
15*
18
16
17
19
20
24
22
9
21
25
26
25
30
48
9
32
34
14
35
9
6
5
9
37
36
9
24
38
83
40
41
42
43
83
80
80
83
45
46
50
4
3
53
53
52
77
49
47
48
49
49
55
56
57
58
34
59
60
59
34
61
49
55
53
54
110
54
53
62
109
48
48
47
47
111
112
53
53
78
44
96
80
83
101
31
51
51
2
100
90
34
34
34
34
34
34
76
76
107
56
29
63
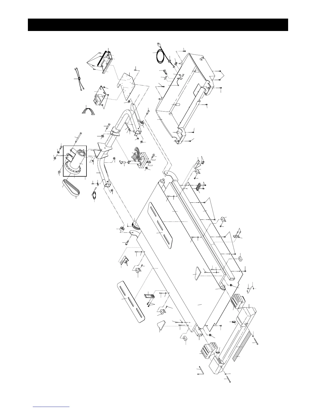
E
XPLODED DRAWING—MODEL NO. RBTL09501 R1002A

Related product manuals