EasyManua.ls Logo

Regal SMARTVALVES - Page 27

Default Icon
36 pages
Print Icon
To Next Page IconTo Next Page
To Next Page IconTo Next Page
To Previous Page IconTo Previous Page
To Previous Page IconTo Previous Page
Loading...
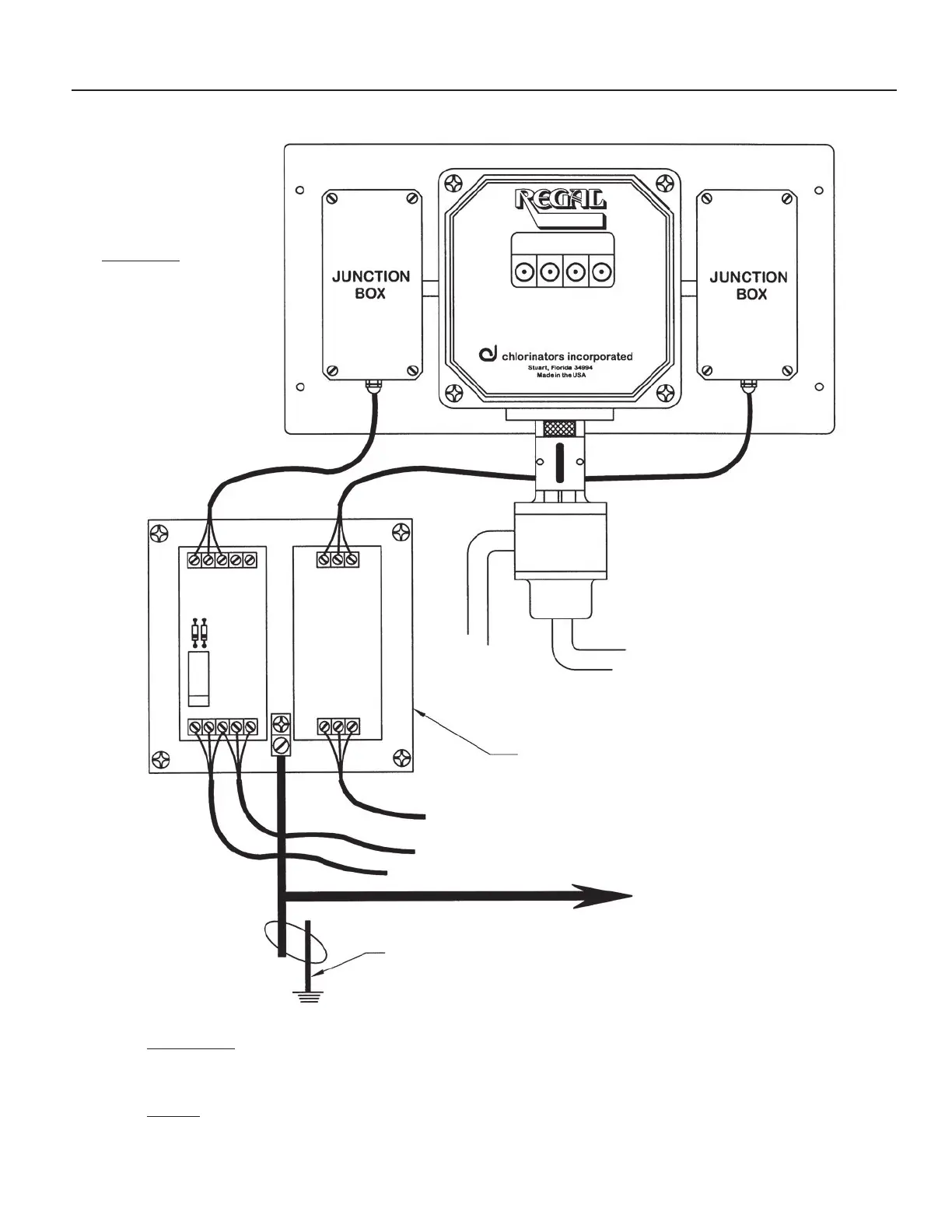
DRAWING NO. 10 USE OF EXTERNAL SURGE SUPPRESSORS
Consult manufacturer of surge suppressor for installation and wiring specifications
External Surge Protection Device (Typ.)
(BY OTHERS)
IMPORTANT:
Mount Suppressor within
two feet of SMARTVALVE
120/240 VAC
4-20mA Residual Input Signal
4-20mA Flow Input Signal
Local Ground with Grounding Rod
To Main Panel Electrical Ground
IMPORTANT:
Consult the manufacturer of the transient voltage suppression device for proper wiring of inputs and outputs.
Analog and digital output signals should also be protected.
NOTES:
1. Surge protection devices must be grounded locally with a grounding rod and also at the main panel electrical ground.
2. Surge protection devices should clamp the 4-20mA signal lines at 12 Volts maximum.
SMARTVALVE
27

Related product manuals