EasyManua.ls Logo

Regal SMARTVALVES - Page 26

Default Icon
36 pages
Print Icon
To Next Page IconTo Next Page
To Next Page IconTo Next Page
To Previous Page IconTo Previous Page
To Previous Page IconTo Previous Page
Loading...
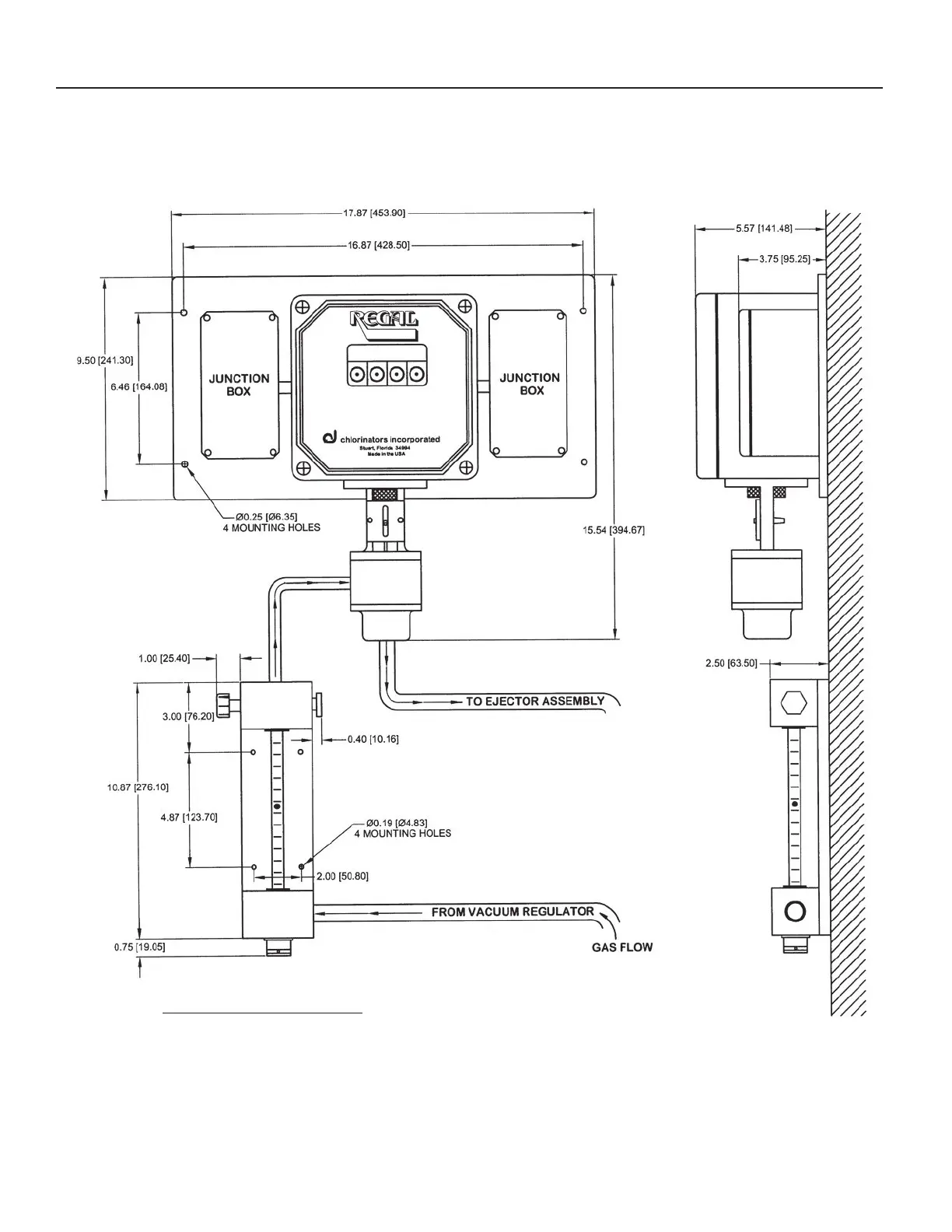
DRAWING NO. 9 — ENGINEERING DATA SHEET
Series 7000 SMARTVALVE™ Dimensions
DIMENSIONS = INCHES [mm]
7500 REMOTE METER PANEL
SMARTVALVE
26

Related product manuals