EasyManua.ls Logo

REGLOPLAS 150smart - Block Diagrams

Default Icon
41 pages
Print Icon
To Next Page IconTo Next Page
To Next Page IconTo Next Page
To Previous Page IconTo Previous Page
To Previous Page IconTo Previous Page
Loading...
V 11/2014
Temperature Control Unit 90smart/150smart Maintenance 25
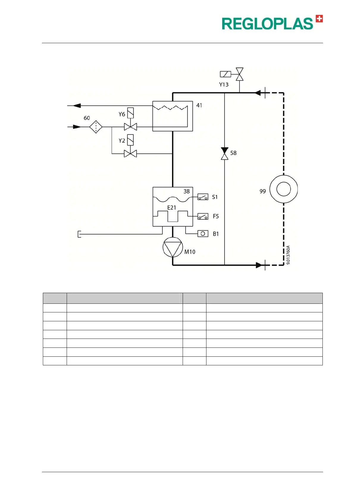
Block diagram 90smart
Block diagram 90smart
Item Designation Item Designation
38 Vessel, reservoir, tank F5 Safety thermostat
41 Cooler M10 Pump
58 Bypass S1 Level control
60 Filter - cooling circuit Y2 Solenoid valve - auto. water refill
99 Consumer Y6 Solenoid valve - cooling
B1 Temperature probe - internal Y13 Solenoid valve - suction (optional)
E21 Heating

Table of Contents

Related product manuals