EasyManua.ls Logo

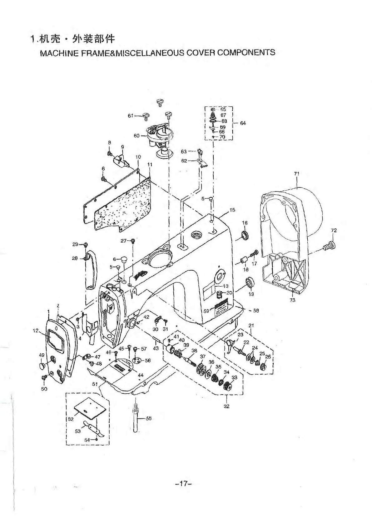
Reliable 3300SD - Machine Frame&Miscellaneous Cover Components

Reliable 3300SD
44 pages
Print Icon
To Next Page IconTo Next Page
To Next Page IconTo Next Page
To Previous Page IconTo Previous Page
To Previous Page IconTo Previous Page
Loading...

Related product manuals