EasyManua.ls Logo

Reliable 4200SW - Thread Tension and Winding Parts

Reliable 4200SW
30 pages
Print Icon
To Next Page IconTo Next Page
To Next Page IconTo Next Page
To Previous Page IconTo Previous Page
To Previous Page IconTo Previous Page
Loading...
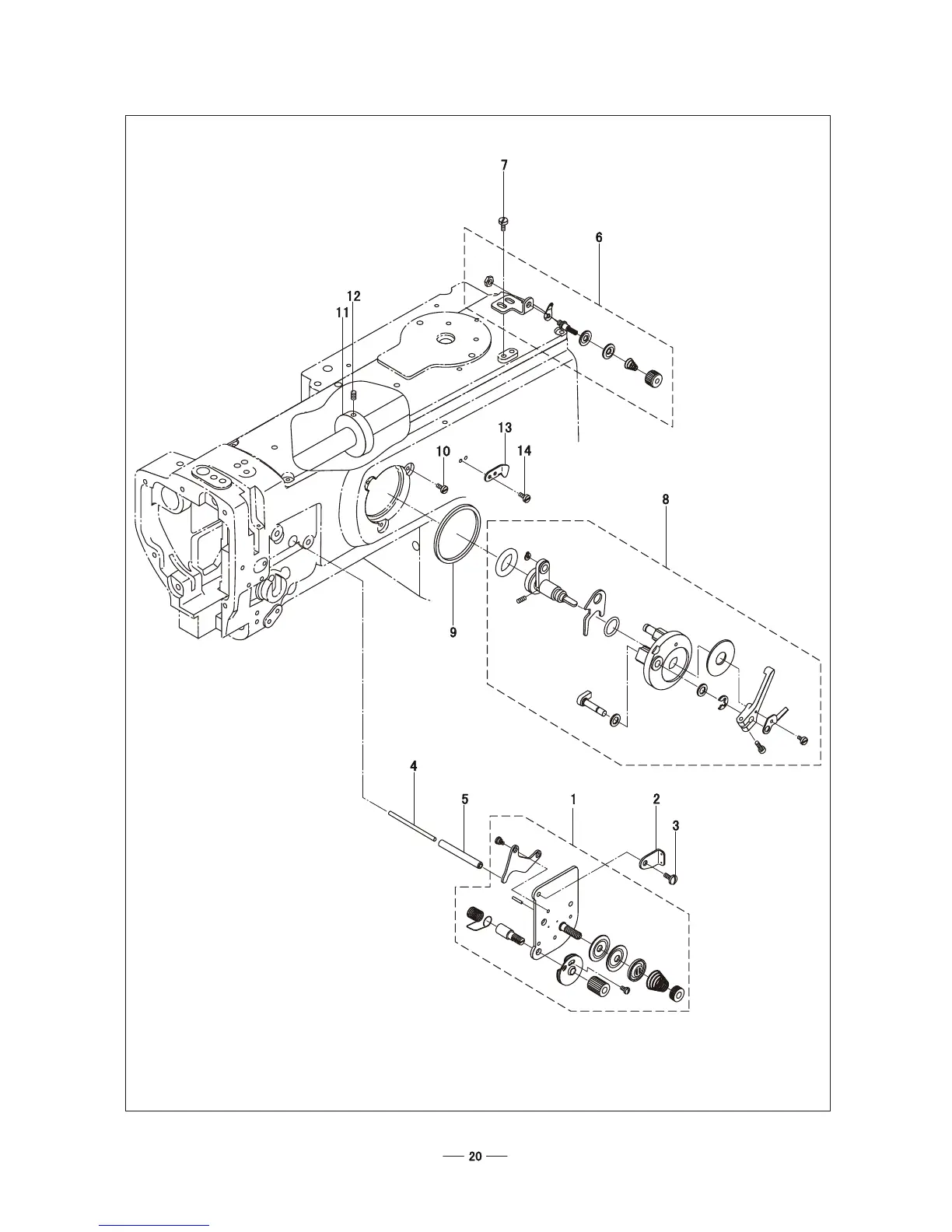
7.Thread tension and winding parts

Related product manuals