EasyManua.ls Logo

Respirex PRPS - Product Labelling

Default Icon
24 pages
Print Icon
To Next Page IconTo Next Page
To Next Page IconTo Next Page
To Previous Page IconTo Previous Page
To Previous Page IconTo Previous Page
Loading...

 
 
 

 
 
 
 
 
 

 

 
 
 
 
 
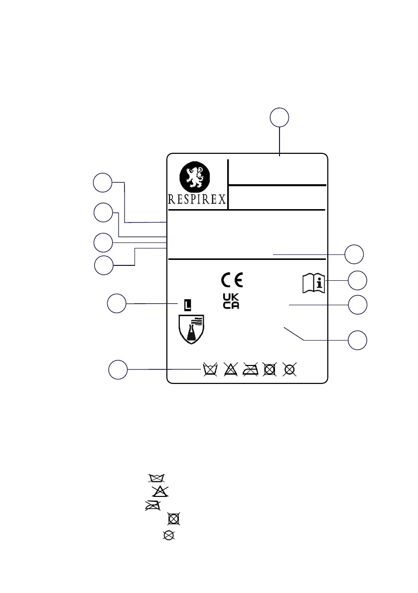
Wilthener Straße 32 / Gebäude 4a,
D-02625, Bautzen, Germany
TEL +49 (0)3591-5311290
info@respirex.de
CHEMICAL PROTECTIVE CLOTHING
MODEL No: PRPS
STYLE/STYLE No: SAMPLE
MATERIAL: TYCHEM TK A00097
SIZE
CUSTOMER NAME: SAMPLE
DATE OF MANUFACTURE:March 2023
2797
SERIAL NO:
Unit F Kingsfield Business Centre,
Philanthropic Road, Redhill, Surrey RH1 4DP. UK
TEL +44 (0)1737 778600
info@respirex.co.uk
0086
SALES ORDER No: SAMPLE
LB077
Issue F
Printed by BoltPDF (c) NCH Software. Free for non-commercial use only.
COMPLIES WITH A TECHNICAL
SPECIFICATION TO SATISFY ANNEX II
OF THE PPE REGULATION (EU)
2016/425


 



 
 