EasyManua.ls Logo

Retrospec Koa Rev - Page 23

Retrospec Koa Rev
25 pages
Print Icon
To Next Page IconTo Next Page
To Next Page IconTo Next Page
To Previous Page IconTo Previous Page
To Previous Page IconTo Previous Page
Loading...
21 22
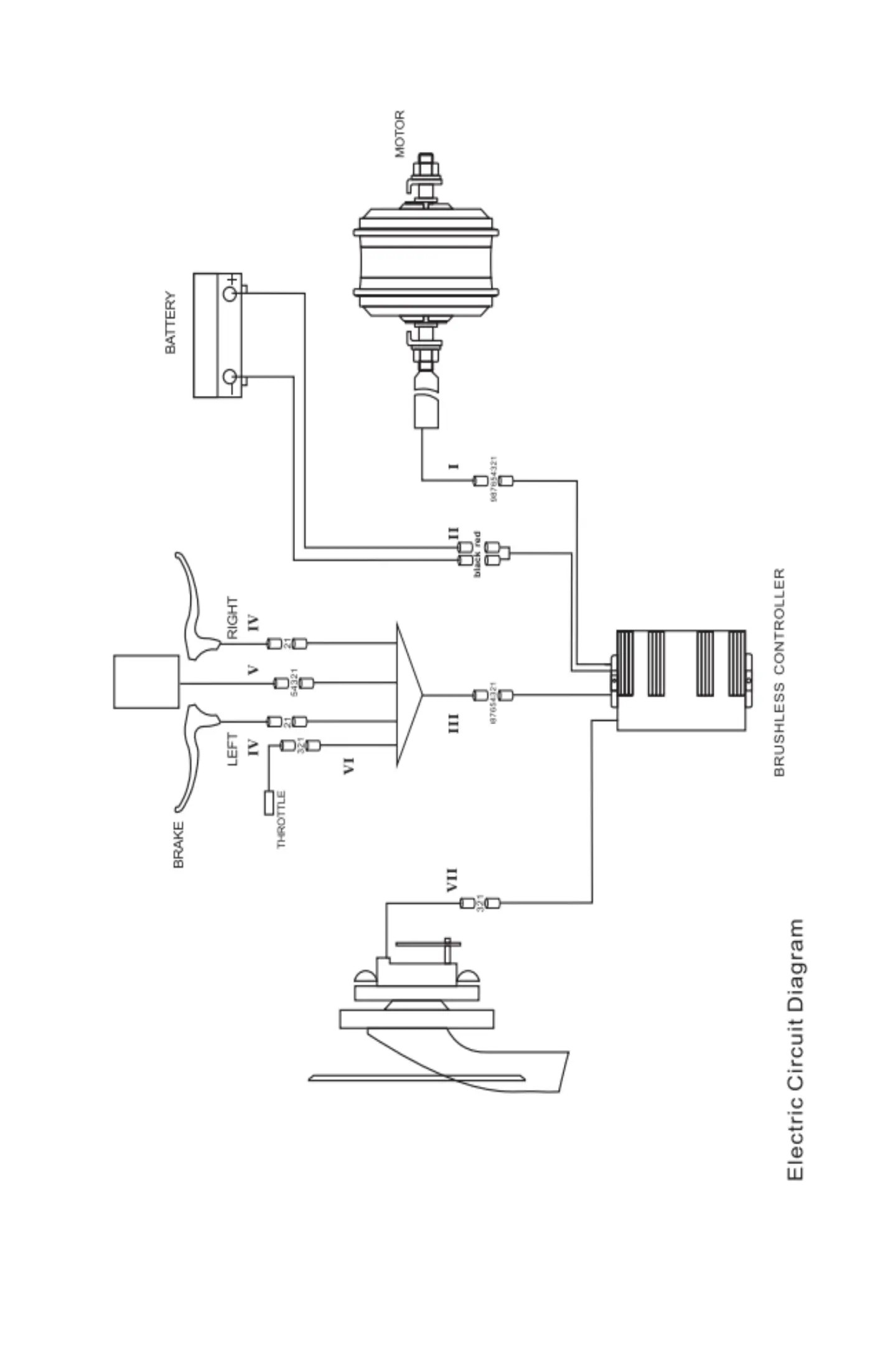
After the main battery switched on, the
motor does not generate assistance
when pedaling.
1)the motor cable (waterproof
connection joint) is loose;
2) brake lever did not return well,
which keeps the switch in “power o”
position;
3) battery fuse is broken;
4) the speed sensor
is too far away from the magnetic ring
on the B.B. axle;
5) the connection between the sensor
and the controller is loosen or not
connected well.
First of all, please check the battery if
it is empty. If yes, charge the battery
immediately. 1) check if the connection
is securely xed. If loose, joint them
tightly. 2) make the brake lever come
back to its normal position with care,
without braking; 3) open the battery
pack top, and check if the fuse is bro-
ken. If yes, please visit your vendor or
authorized service for installing a new
fuse; 4) adjusting the distance between
the magnetic ring and the sensor, to
make sure the distance is within 3mm;
5) x tight the connection between the
sensor and the controller.
The distance per charge becomes short
(Note: performance of the bike battery
is directly related to weight of the rider
and any baggage/load / wind / road /
constant braking).
1) charging time is not enough; 2) the
environment temperature is so low that
it aects the battery working. 3) fre-
quently going uphill, or riding with head
wind, or on poor road condition, 4) the
tyres have low pressure (to be inated);
5) frequently braking and starting. 6)
battery has been stored without using
for quite a long time.
1) please charge the battery according
the instruction (chapter 7.3); 2) in winter
or under 0°C, you’d better store the
battery inside the house; 3) it will be
normal if the riding conditions are
improved as regular; 4) pump the tyres
and ensure tyres are fully inated
to 45psi for your bike; 5) it becomes
normal when the riding situation will be
better. No worry about such a trouble;
6) make regular charging according to
this instruction manual (refer to Chapter
6.3 ) If the above has no eect, please
contact your vendor or authorized
service.
After plugging the power outlet, no
charger indicator LED is lit.
1) trouble from the power outlet;
2) poor contact between charger input
plug and power outlet;
3) the temperature is too low.
1) check and repair the power outlet.
2) check and insert the power outlet
tightly. 3) charge it in house.
If the above has no eect, please
contact your vendor or authorized
service
.
After charging over 4-5 hours, the
charger indicator LED is still red, while
the battery is still above not full (Note:
it is very important to charge your bike
strictly according to this instruction
stated in Chapter 7, to avoid any trouble
and damage occurred to your bike.
1) environment temperature is 40°C
and above.
2) environment temperature is under
0°C.
3) failed to charge bike after riding,
resulting in over discharge.
4) the output voltage is too low to
charge the battery.
1) charge the battery in an area under
40°C, or according to this instruction
chapter 7;
2). charge the battery inside the
house, or according to this instruction
chapter 7;
3) please well maintain the battery
according to the Chapter 6.3 to avoid
natural over-discharge;
4) no charging when the power supply is
lower than 100V.
Trouble Description Possible Causes Trouble Shooting
10. Maintaining the Throttle
Take care to protect the throttle from impact or damage. If your bikes falls or you are
in a crash, make sure to check the throttle function before riding.
Periodically check that the throttle cable is securely plugged-in to the throttle body. If
not, check and plug it in again.
11. Simple Troubleshooting
The information below is for diagnosing problems only. It is not a recommendation
for the user to carry-out repairs. Any remedy outlined must be carried out by a
professional e-bike repair person who is educated on the safety issues with bikes &
e-bikes.

Related product manuals