EasyManua.ls Logo

Reversomatic RHRV-D100A - Furnace; Fan-Coil; Heat Pump Interlock

Reversomatic RHRV-D100A
16 pages
Print Icon
To Next Page IconTo Next Page
To Next Page IconTo Next Page
To Previous Page IconTo Previous Page
To Previous Page IconTo Previous Page
Loading...
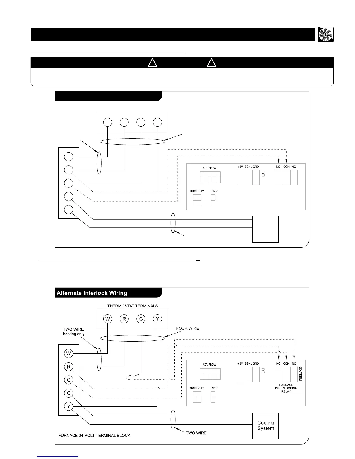
Never connect a 120 volt AC circuit to the terminals of the furnace interlock (Standard Wiring).
Only use the low voltage class 2 circuit.
/fan-coil/heat pump
W A R N I N G
! !
On some older thermostats, energizing the R and G terminals at the furnace has the effect of energizing Y at the
thermostat and thereby turning on the cooling system. If you identify this type of thermostat, you must use the
“Alternate Interlock Wiring”.
For a furnace connected to a cooling system:
Wiring Diagram (cont’d)
3
Furnace / Fan-Coil / Heat Pump Interlock:
Standard Interlock Wiring
INTERLOCKING
RELAY
W R G Y
W
R
G
Y
C
FOUR WIRE
TWO WIRE
heating only
Cooling
System
FURNACE / FAN-COIL / HEAT PUMP
24-VOLT TERMINAL BLOCK
THERMOSTAT TERMINALS
TWO WIRE

Related product manuals