EasyManua.ls Logo

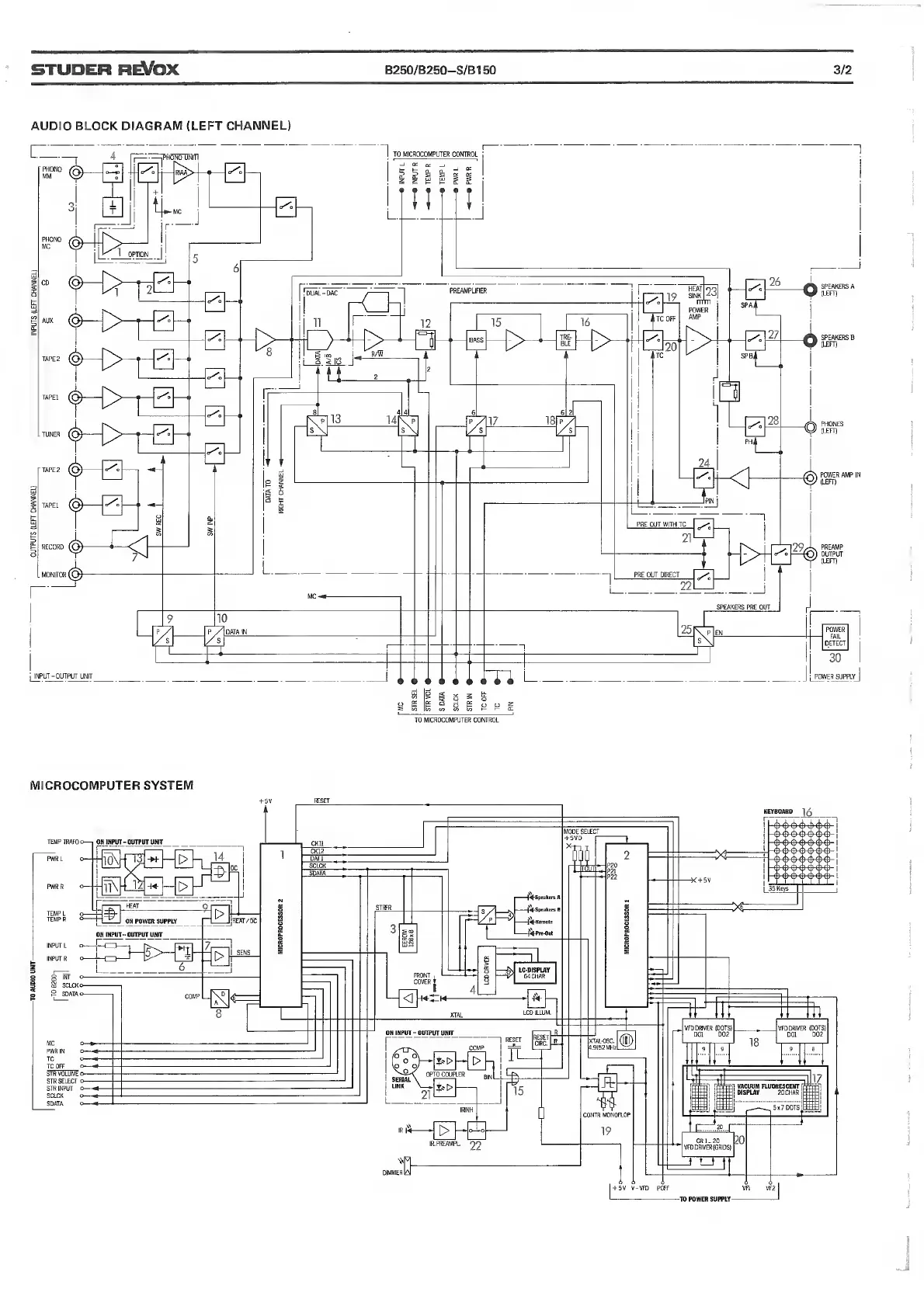
Revox B250-S - Microcomputer System Diagram

Revox B250-S
104 pages
Go to English
Print Icon
To Next Page IconTo Next Page
To Next Page IconTo Next Page
To Previous Page IconTo Previous Page
To Previous Page IconTo Previous Page
Loading...
OUTPUTS
(LEF
CHANNEL)
INPUTS
(LEF
CHANNEL)
5TUDER R^OX
B250/B250-S/B150 3/2
AUDIO BLOCK DIAGRAM (LEFT
CHANNEL)
TO MICROCOMPUTER CONTROL
MICROCOMPUTER
SYSTEM
-TO POWER SUPPLY

Related product manuals