EasyManua.ls Logo

Reznor UDAP - Page 19

Reznor UDAP
40 pages
Print Icon
To Next Page IconTo Next Page
To Next Page IconTo Next Page
To Previous Page IconTo Previous Page
To Previous Page IconTo Previous Page
Loading...
Form I-UDA, P/N 195673 R23, Page 19
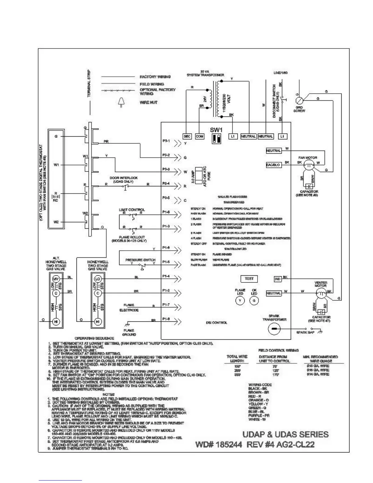
FIGURE 14B - Typical Wiring Diagram for Model UDAP or Model UDAS, Two Stage Gas Valve or
Recirculation

Related product manuals