EasyManua.ls Logo

Reznor UDAP - Wiring Diagrams

Reznor UDAP
40 pages
Print Icon
To Next Page IconTo Next Page
To Next Page IconTo Next Page
To Previous Page IconTo Previous Page
To Previous Page IconTo Previous Page
Loading...
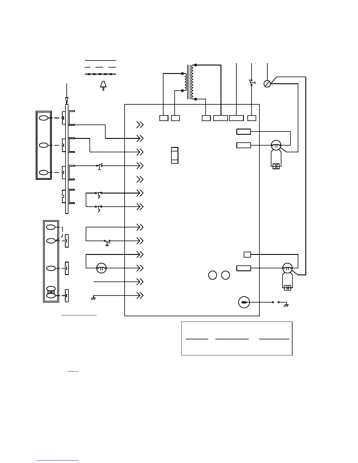
Form I-UDA, P/N 195673 R23, Page 18
7.0 Electrical
Supply and
Wiring (cont’d)
FIGURE 14A - Typical Wiring Diagram for Model UDAP or Model UDAS,
Single Stage
WD# 185139 REV #4
UDAP & UDAS SERIES
AG1-CL1 or CL22
VENTER
FAN MOTOR
PRESSURE SWITCH
SPARK GAP
GREEN LED
FIELD CONTROL WIRING
150'
250'
350'
75'
125'
175'
#18 GA. WIRE
#16 GA. WIRE
#14 GA. WIRE
TOTAL WIRE
LENGTH
DISTANCE FROM
UNIT TO CONTROL
MIN. RECOMMENDED
WIRE GUAGE
LED
Y
Y
WIRE CONNECTOR
FIELD WIRING
OPTIONAL FACTORY
FACTORY WIRING
DSI CONTROL
FAST FLASH
1 FLASH
2 FLASH
3 FLASH
4 FLASH
STEADY OFF
LED FLASH CODES
NORMAL OPERATION CALL FOR HEAT
IN LOCKOUT FROM FAILED IGNITIONS OR FLAME LOSSES
PRESSURE SWITCH DOES NOT CLOSE WITHIN 30 SECONDS
LIMIT SWITCH OR ROLLOUT SWITCH OPEN
PRESSURE SWITCH IS CLOSED BEFORE VENTER IS ENERGIZED
INTERNAL CONTROL FAULT OR NO POWER
YELLOW LED
FLAME SENSEDSTEADY ON
SLOW FLASH WEAK FLAME
UNDESIRED FLAME (VALVE OPEN & NO CALL FOR HEAT)FAST FLASH
IND
BK
NEUTRAL
W
MOTOR
LED
OKFLAME
GY
NEUTRAL
BK
W
LIMIT CONTROL
R R
R R
FLAME ROLLOUT
R
BR
FLAME
ELECTRODE
FLAME
GROUND
P1-8
P1-3
P1-6
P1-5
P1-7
P1-9
BK
W
GAS VALVE
BL
BR
P1-2
P1-4
BL
24V
115/208/230
Y
BK
BR
R
L1 NEUTRAL NEUTRAL L1COMSEC
SYSTEM TRANSFORMER
EAC/BLO
W
WIRING
OF VENTER ENERGIZED
VOLT
BK
ATO OR ATC
3.0 AMP
C
R
W
G
Y
R
W1
TERMINAL STRIP
R
Y
PR
P3-4
P3-3
P3-2
NORMAL OPERATION NO CALL FOR HEATSTEADY ON
G
G
G
G
G
GRD
SCREW
LINE/1/60
CAPACITOR
(SEE NOTE #6)
CAPACITOR
(SEE NOTE #7)
BR/W
BR
BR
BR/W
SPARK
TRANSFORMER
G
(MODELS 30-125 ONLY)
P3-5
P3-1
WIRING CODE
BLACK - BK
BROWN - BR
RED - R
ORANGE - O
YELLOW - Y
GREEN - G
BLUE - BL
PURPLE - PR
WHITE - W
Y
W
FUSE
(UDAS ONLY)
R
DOOR INTERLOCK
(UDAS ONLY)
DISCONNECT SWITCH
BK BK
(OPT CL1) SINGLE STAGE THERMOSTAT
WITH FAN SWITCH (SET ANT. AT 0.6 AMPS)
R
W
G
WITH FAN SWITCH (SEE NOTES #8 THRU #10)
(OPT CL22) TWO STAGE DIGITAL THERMOSTAT
RC
R
R
W2
G
W1
W1
G
W2
OPERATING SEQUENCE
1. SET THERMOSTAT AT LOWEST SETTING, (FAN SWITCH
2. TURN ON MANUAL GAS VALVE.
3. TURN ON POWER TO UNIT.
4. SET THERMOSTAT AT DESIRED SETTING.
5. THERMOSTAT CALLS FOR HEAT, ENERGIZING THE VENTER MOTOR.
6. VENTER PRESSURE SWITCH CLOSES, FIRING UNIT AT FULL RATE.
7. BURNER FLAME IS SENSED, AND IN 30 SECONDS THE FAN
MOTOR IS ENERGIZED.
8. IF THE FLAME IS EXTINGUISHED DURING MAIN BURNER OPERATION,
THE INTEGRATED CONTROL SYSTEM CLOSES THE MAIN VALVE AND
MUST BE RESET BY INTERRUPTING POWER TO THE CONTROL CIRCUIT
(SEE LIGHTING INSTRUCTIONS).
NOTES
1. THE FOLLOWING CONTROLS ARE FIELD INSTALLED OPTIONS: THERMOSTAT
2. DOTTED WIRING INSTALLED BY OTHERS.
3. CAUTION: IF ANY OF THE ORIGINAL WIRING AS SUPPLIED WITH THE
APPLIANCE MUST BE REPLACED, IT MUST BE REPLACED WITH WIRING MATERIAL
HAVING A TEMPERATURE RATING OF AT LEAST 105° C. EXCEPT FOR SENSOR
LEAD WIRE, FLAME ROLLOUT AND LIMIT WIRING WHICH MUST BE 150° C.
4. USE 18 GA. WIRE FOR ALL WIRING ON THE UNIT.
5. LINE AND FAN MOTOR BRANCH WIRE SIZES SHOULD BE OF A SIZE TO PREVENT
VOLTAGE DROPS BEYOND 5% OF SUPPLY LINE VOLTAGE.
6. CAPACITOR IS REMOTE MOUNTED AND INCLUDED ONLY ON 115V MODELS
150-400 AND 208/230V MODELS 100-400.
7. CAPACITOR IS REMOTE MOUNTED AND INCLUDED ONLY ON MODELS 150 - 400.
9. SET FAN SWITCH AT "ON" POSITION FOR CONTINUOUS FAN OPERATION.
AT "AUTO" POSITION.
8. VERIFY JUMPER ON CL22 THERMOSTAT TERMINALS R TO RC.
9. FAN SWITCH OR LOW STAGE OF CL22 THERMOSTAT ENERGIZES THE BLOWER MOTOR.
10. HIGH STAGE OF CL22 THERMOSTAT INITIATES A CALL FOR HEAT.
7.4 Wiring Diagrams

Related product manuals