EasyManua.ls Logo

RF Technology PA 150 - Page 11

Default Icon
18 pages
Print Icon
To Next Page IconTo Next Page
To Next Page IconTo Next Page
To Previous Page IconTo Previous Page
To Previous Page IconTo Previous Page
Loading...
1 2 3 4
A
B
C
D
4321
D
C
B
A
T itle
Number RevisionSize
A4
Date: 9-Oct-1998 Sheet of
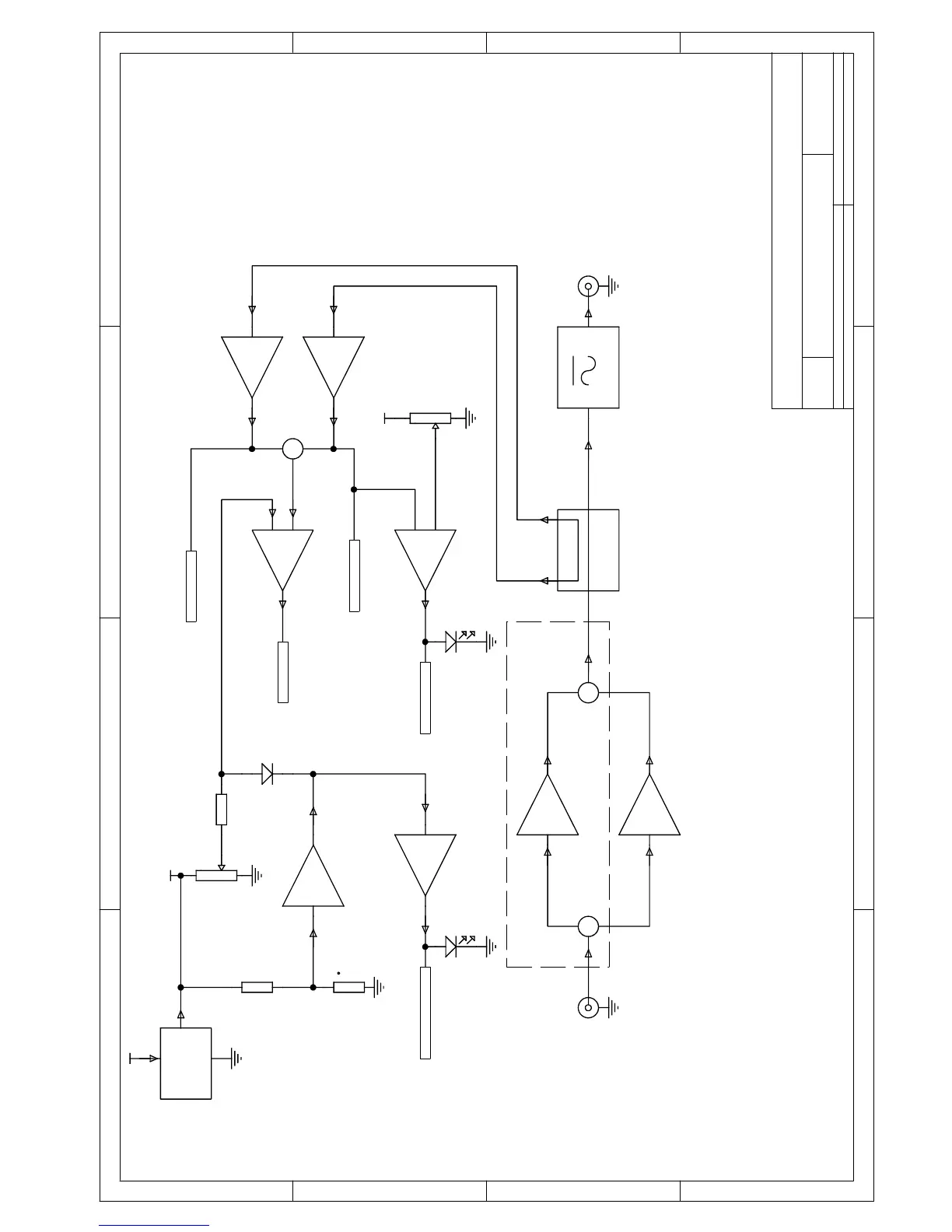
File: D:\RFT _MasterFiles\..\9118-VHFPA-block.schDrawnBy:
-
+
+
+8.0 V.REF.
POWER
ADJUST
OUT PUT
200MHz L PFDIRECT IONAL
COUPLER
FWD.PWR.
REV.PWR.
U2D
AL COUT
+13.8Vdc
U1
++
INPUT
+8.0 V.REF.
U2C
C39-C42
L12-L16
SPLIT TER COMBINER
D1,D3
75W AMPLIFIERS
SET
DET ECT
LEVEL
R.F.DET .
REF.
REG.
OVER TEMP. DET ECT OR
OVER TEMP.
AL CAMP.
FWD.& REV.
DET ECT OR AMPS.
C47-50,L19,
L20,R20
2-20W
C43-46,L17,
L18,R19
* 150W VERSIONS
* 50-75W VERSIONS USE SINGLE AMPLIFER ( Q4)
50-150W
T EMP.
R.F.DET .
t
RT 1
90DEG.C.
D2
U2B
U2A
RV1
RV2
Q2
Q1
Q5
Q4
R.F.T ECHNOLOGY PT Y. L TD.
10/8Leighton Place,HORNSBY , AUST RALIA
BLOCK SIGNAL FL OW DIAGRAM
05/9118R6
3 3