EasyManua.ls Logo

Rheem 801S Series - Page 33

Rheem 801S Series
52 pages
Print Icon
To Next Page IconTo Next Page
To Next Page IconTo Next Page
To Previous Page IconTo Previous Page
To Previous Page IconTo Previous Page
Loading...
33
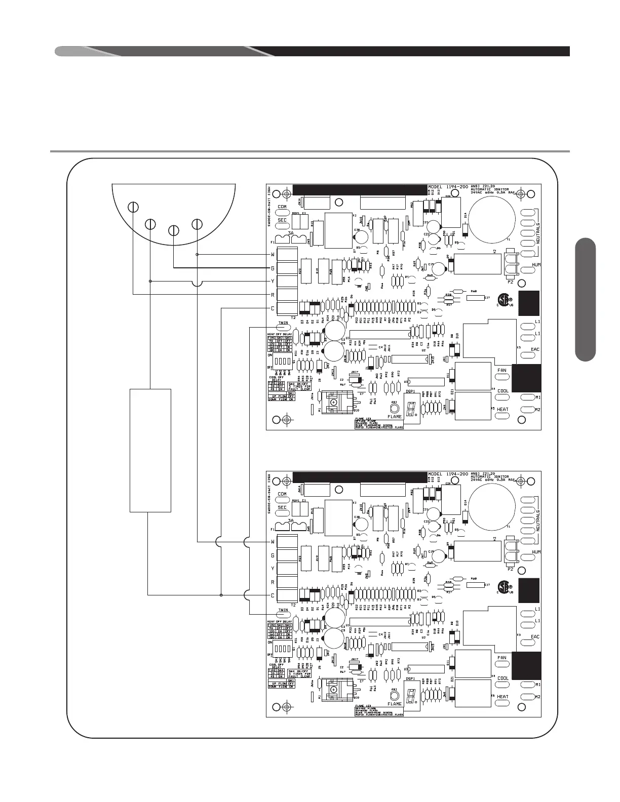
R
Y
G
W
COOLING
CONTACTOR
NOTE:
A FAULT CODE 20 WILL FLASH TO
INDICATE A TWINNING PROBLEM.
CONFIRM PROPER WIRING IF THIS
FAULT IS PRESENT.
TWINNING
CONTROL BOARDS
FIGURE 28
UT ELECTRONIC CONTROLS 1194-200 CONTROL BOARD, TWINNING CONNECTION – SINGLE STAGE OPERATION
THERMOSTAT
ST-A1194-25
1-STAGE
Twinning

Table of Contents

Related product manuals