EasyManua.ls Logo

RIB K2 24V - Page 10

RIB K2 24V
Print Icon
To Next Page IconTo Next Page
To Next Page IconTo Next Page
To Previous Page IconTo Previous Page
To Previous Page IconTo Previous Page
Loading...
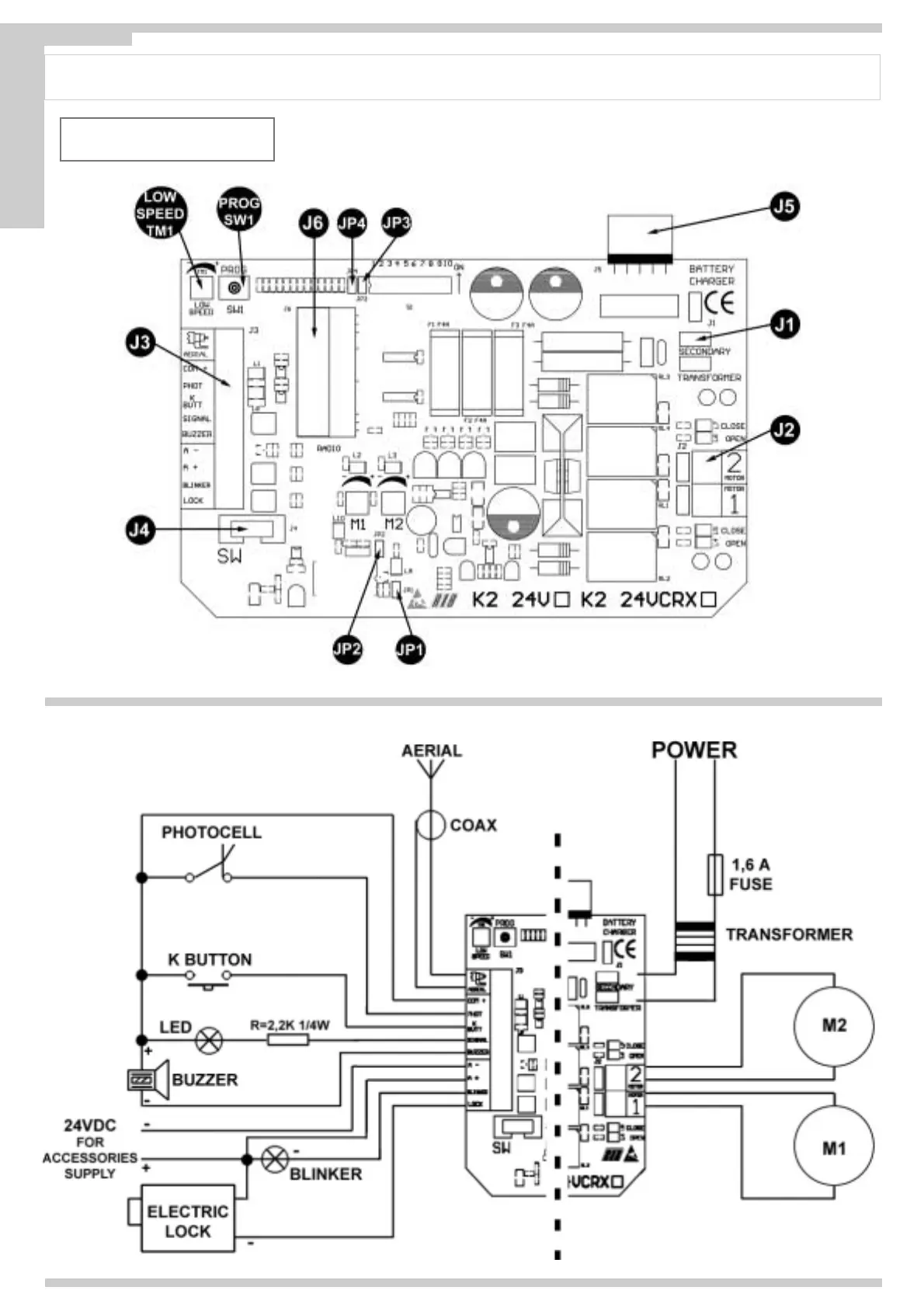
BRANCHEMENTS ÉLECTRIQUES
Pag. 10 di 28
K2 24V Code BC07059
K2 24V CRX Code BC07058
F
R
A
N
Ç
A
I
S
E

Related product manuals