EasyManua.ls Logo

RIB K2 24V - Page 22

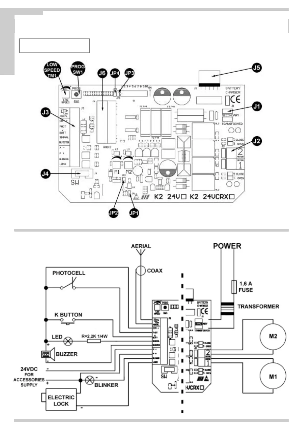
RIB K2 24V
Print Icon
To Next Page IconTo Next Page
To Next Page IconTo Next Page
To Previous Page IconTo Previous Page
To Previous Page IconTo Previous Page
Loading...
Pag. 22 di 28
K2 24V Code BC07059
K2 24V CRX Code BC07058
ELEKTROANSCHLÜSSE
D
E
U
T
S
C
H

Related product manuals