EasyManua.ls Logo

RIB NORMAL - Page 15

RIB NORMAL
Print Icon
To Next Page IconTo Next Page
To Next Page IconTo Next Page
To Previous Page IconTo Previous Page
To Previous Page IconTo Previous Page
Loading...
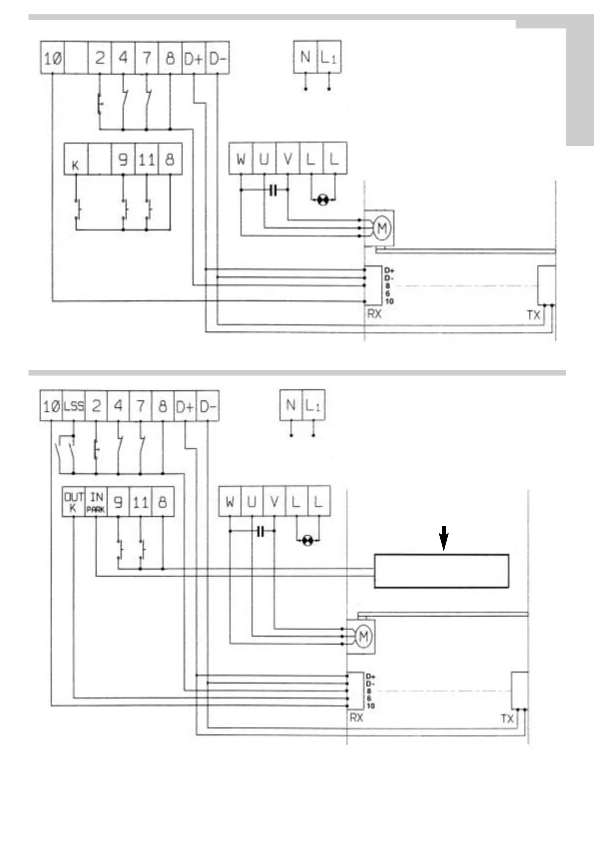
Fig.11
PLAN FONCTIONNEMENT NORMAL
DIP4 – OFF
RX-TX = Photocellules
A = Détecteur magnétique
B = Barrière
Entrée et Sortie
A
B
Fig.12
PLAN FONCTIONNEMENT POUR PARKINGS
DIP4 - ON
Pag. 15 di 36
F
R
A
N
Ç
A
I
S
E
LIGNE
230VAC
LIGNE
230VAC

Other manuals for RIB NORMAL

Related product manuals